Curiosii for ever!
: Car repair manuals for everyone.
Home
>>
Isuzu
>>
1987
>>
Impulse L4-1994cc 2.0L
>>
Repair and Diagnosis
>>
Diagrams
>>
Electrical Diagrams
>>
Transmission Control Systems
Transmission Control Systems
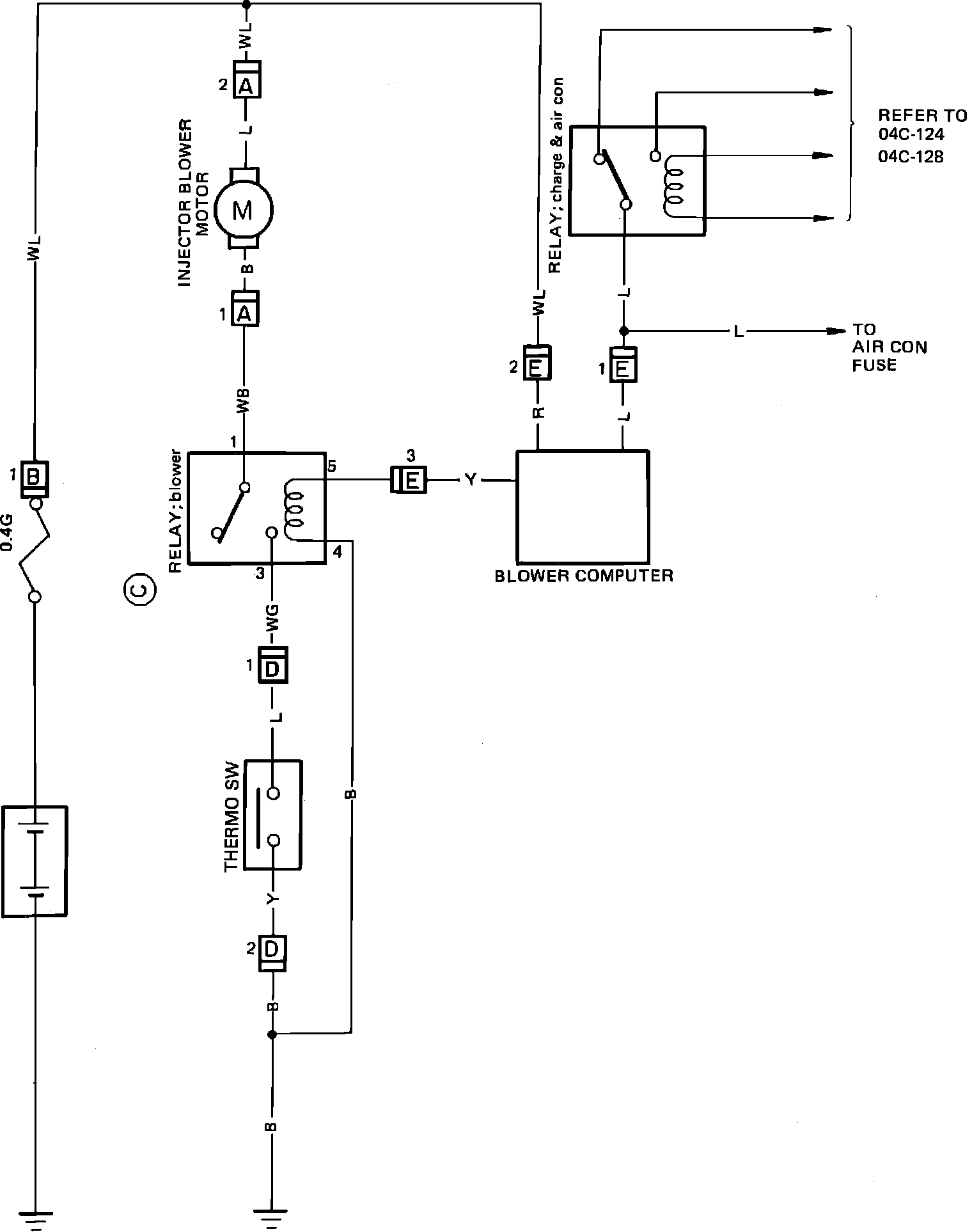
Injector Blower, Overdrive & Overdrive Lock Up:
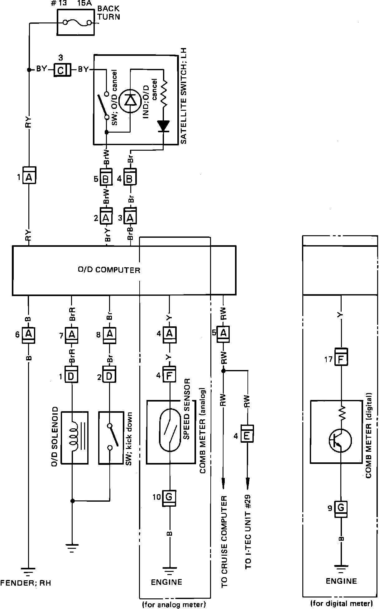
Injector Blower, Overdrive & Overdrive Lock Up:
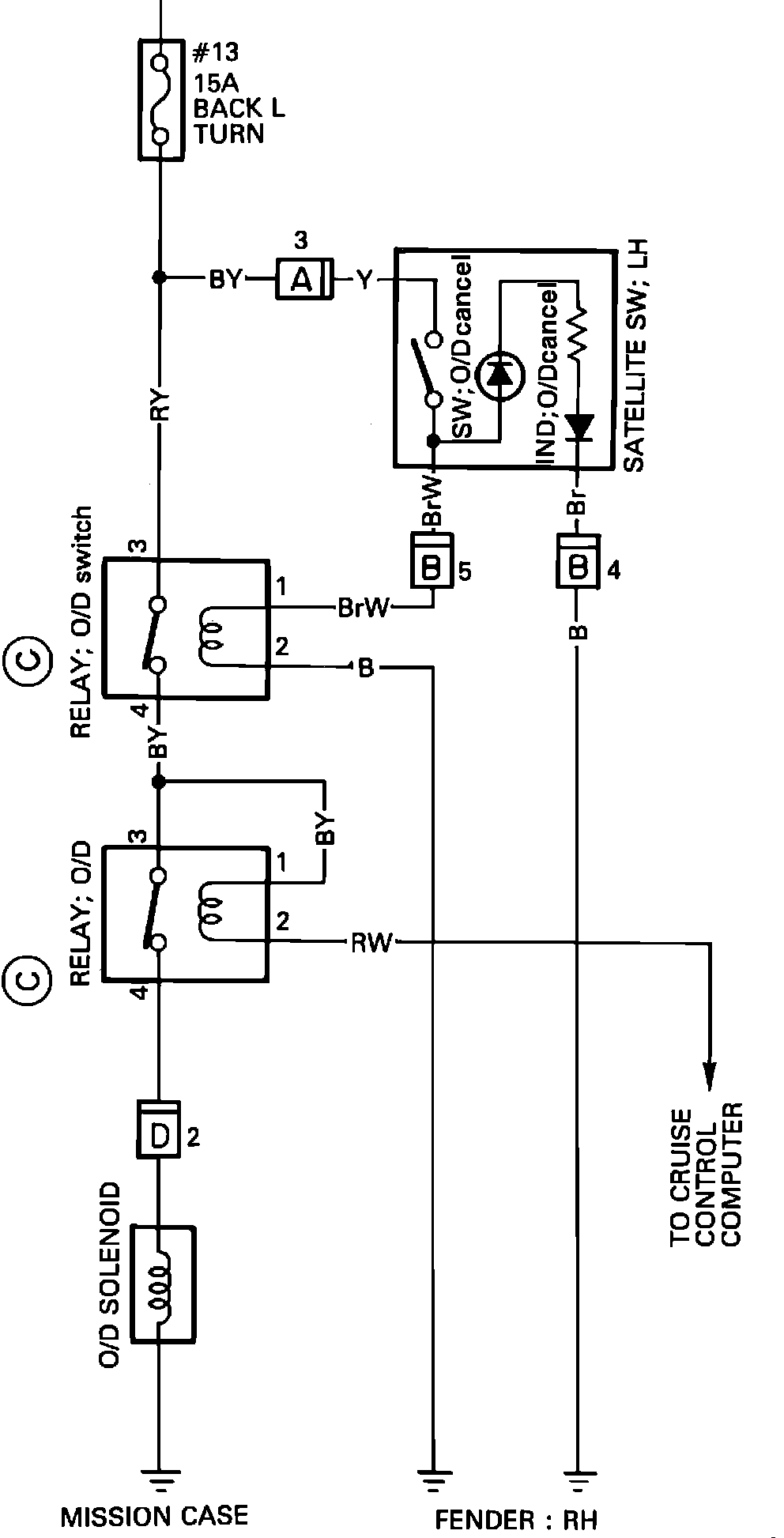
Injector Blower, Overdrive & Overdrive Lock Up: