Curiosii for ever!
: Car repair manuals for everyone.
Home
>>
Isuzu
>>
1987
>>
Impulse L4-1994cc 2.0L
>>
Repair and Diagnosis
>>
Diagrams
>>
Electrical Diagrams
>>
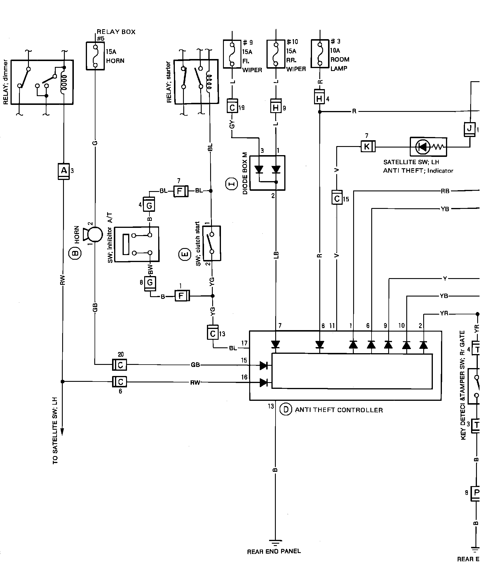
Antitheft and Alarm Systems
Antitheft and Alarm Systems
�"a*'Oa*Anti-Theft Control Wiring Circuit: