Curiosii for ever!
: Car repair manuals for everyone.
Home
>>
Isuzu
>>
1987
>>
Impulse L4-1949cc (G200z)
>>
Repair and Diagnosis
>>
Starting and Charging
>>
Starting System
>>
Diagrams
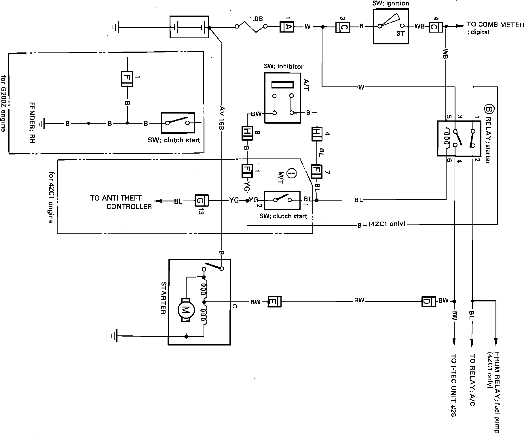
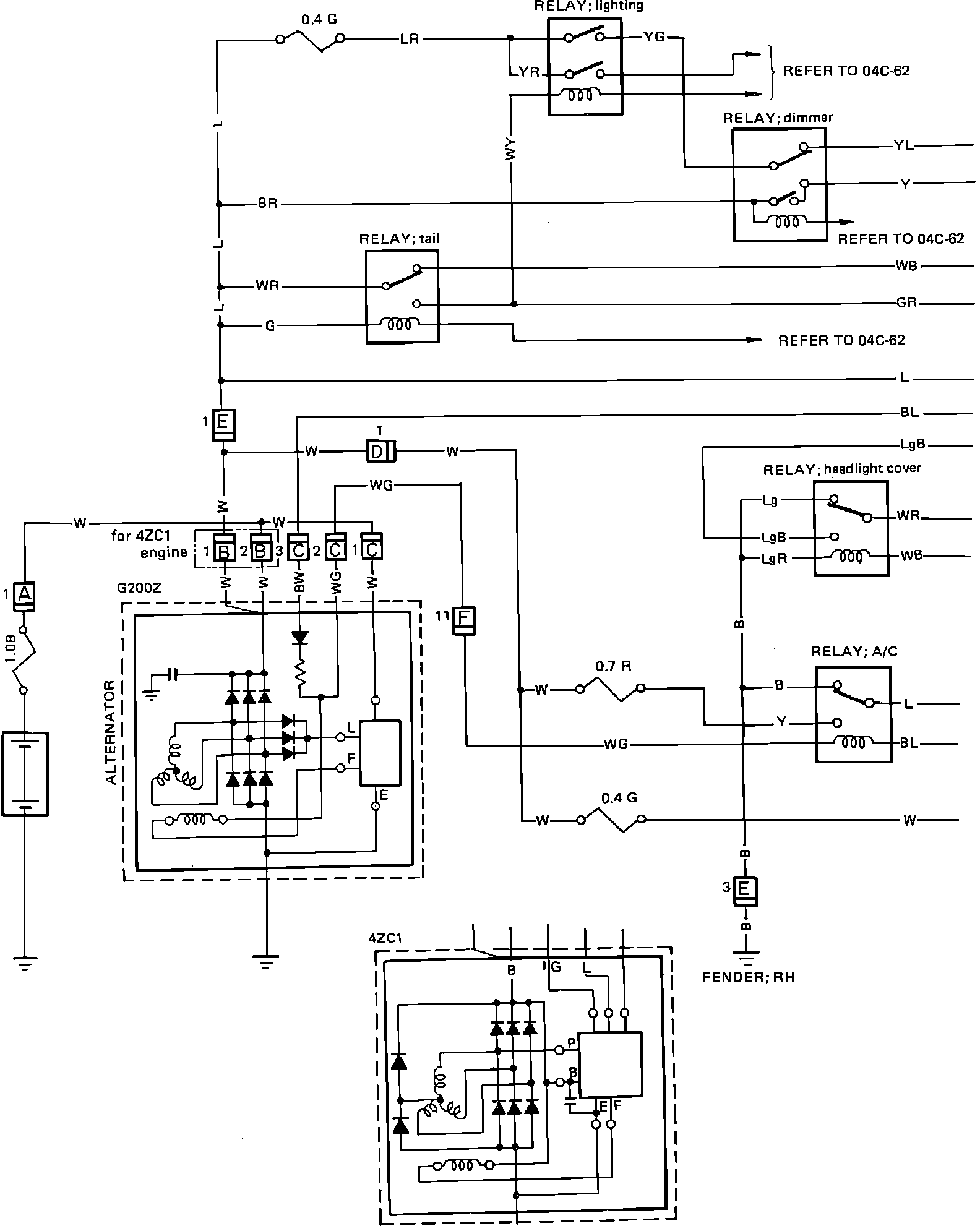
Starting System: Diagrams
Power Source & Starting System:
Power Source & Starting System: