Curiosii for ever!
: Car repair manuals for everyone.
Home
>>
Isuzu
>>
1985
>>
I-Mark L4-1471cc 1.5L
>>
Repair and Diagnosis
>>
Power and Ground Distribution
>>
Fuse
>>
Locations
Fuse: Locations
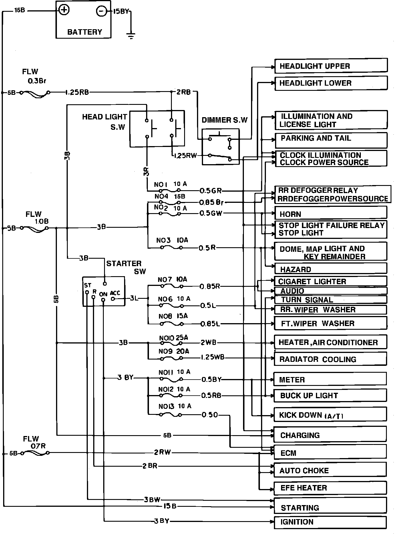
Fig. 2 Fuse Panel: