Curiosii for ever!
: Car repair manuals for everyone.
Home
>>
Isuzu Truck
>>
2007
>>
i-290 2WD L4-2.9L
>>
Repair and Diagnosis
>>
Powertrain Management
>>
Computers and Control Systems
>>
Data Link Connector
>>
Locations
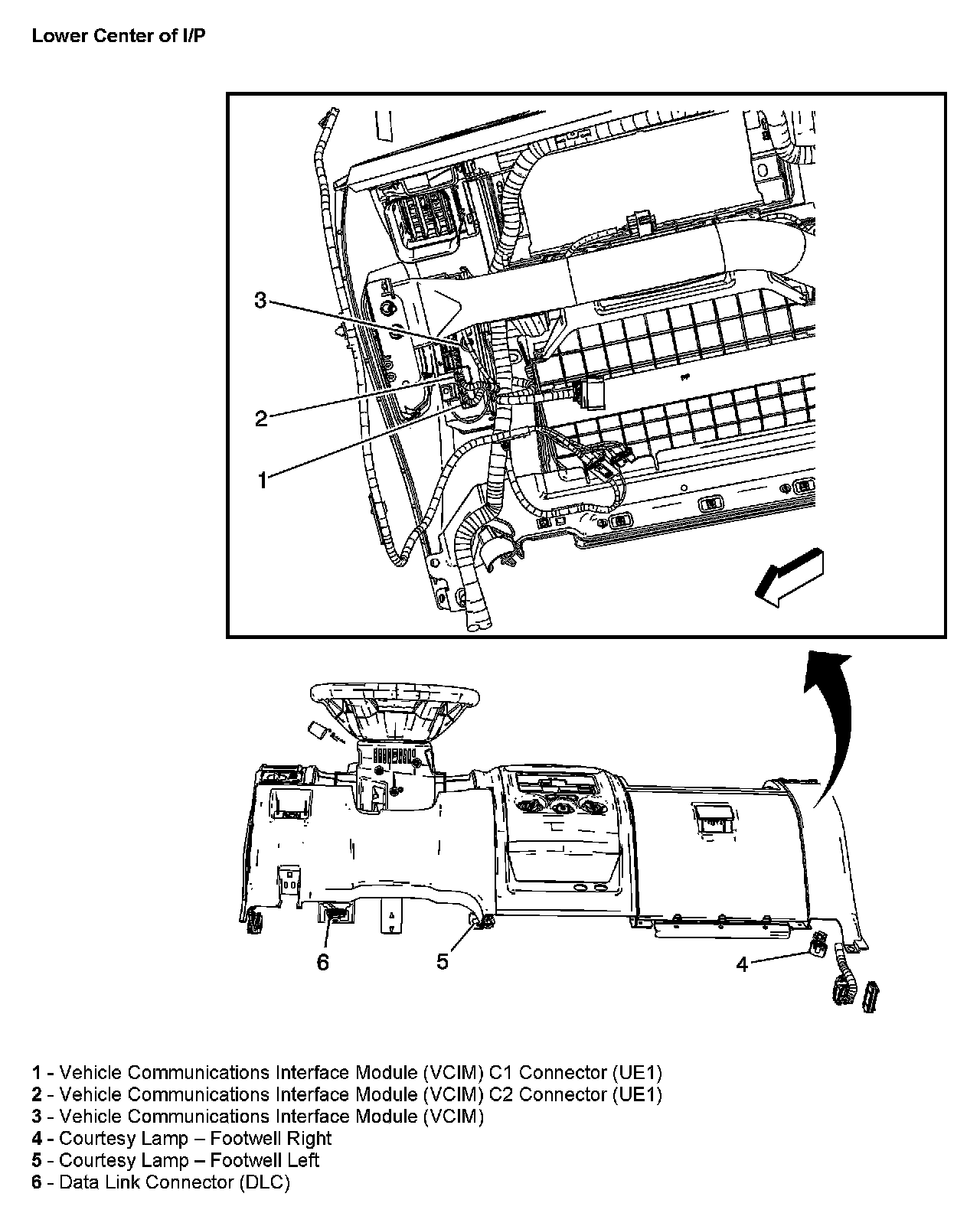
Data Link Connector: Locations
Lower Center Of I/P: