Curiosii for ever!: Car repair manuals for everyone.

Front Drive Axle



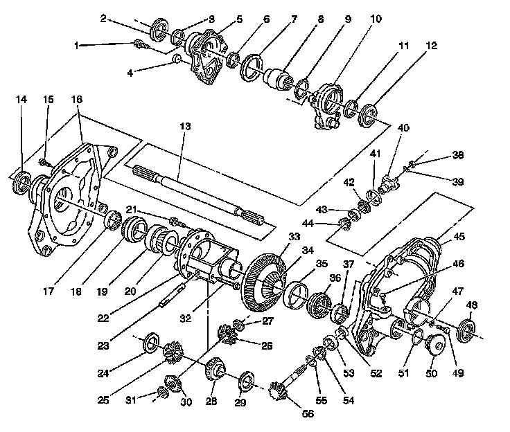
Front Drive Axle Disassembled Views

Front Drive Axle (7.25 in Axle) (S4WD)

Front Drive Axle (7.25 in Axle):




1 - Front Drive Axle Inner Shaft Seal
2 - Front Drive Axle Inner Shaft Bearing
3 - Bolt
4 - Front Drive Axle Actuator
5 - Bolt
6 - Front Wheel Drive Intermediate Shaft Housing
7 - Front Drive Axle Inner Shaft Bearing
8 - Front Wheel Drive Shaft Thrust Washer
9 - Front Drive Axle Clutch Gear
10 - Front Drive Axle Clutch Sleeve
11 - Front Drive Axle Clutch Fork
12 - Front Drive Axle Clutch Fork Spring
13 - Front Wheel Drive Shaft Washer
14 - Front Drive Axle Clutch Gear
15 - Front Wheel Drive Shaft Thrust Washer
16 - Front Wheel Drive Intermediate Shaft Housing
17 - Front Drive Axle Inner Shaft Bearing
18 - Front Drive Axle Inner Shaft Seal
19 - Front Drive Axle Intermediate Shaft
20 - Front Drive Axle Inner Shaft Seal
21 - Bolt
22 - Front Differential Carrier Case Half
23 - Front Differential Case Bearing
24 - Front Differential Bearing Adjuster Nut
25 - Front Differential Bearing Cup
26 - Differential Ring Gear Bolt
27 - Front Differential Bearing
28 - Front Differential Case
29 - Front Differential Pinion Gear Shaft
30 - Front Differential Side Gear Thrust Washer
31 - Front Differential Side Gear
32 - Front Differential Pinion Gear Thrust Washer
33 - Front Differential Pinion Gear
34 - Front Differential Pinion Gear
35 - Front Differential Pinion Gear Thrust Washer
36 - Front Differential Side Gear
37 - Front Differential Side Gear Thrust Washer
38 - Front Drive Axle Differential Pinion Gear Shaft Lock Bolt
39 - Front Differential Ring Gear
40 - Front Differential Bearing
41 - Front Differential Bearing Cup
42 - Front Differential Bearing Adjuster Nut
43 - Front Differential Carrier Bearing
44 - Front Differential Drive Pinion Gear Nut
45 - Front Differential Drive Pinion Gear Shaft Washer
46 - Front Differential Carrier Flange
47 - Front Differential Drive Pinion Gear Bearing Dirt Deflector
48 - Front Differential Drive Pinion Gear Seal
49 - Front Differential Drive Pinion Gear Outer Bearing Cup
50 - Front Differential Drive Pinion Gear Outer Bearing
51 - Front Differential Carrier Case
52 - Front Differential Carrier Vent Connector
53 - Front Differential Carrier Oil Drain Plug Washer
54 - Front Drive Axle Inner Shaft Seal
55 - Front Differential Carrier Oil Drain Plug
56 - Front Differential Carrier Oil Fill Plug
57 - Front Differential Carrier Oil Fill Plug Washer
58 - Front Differential Drive Pinion Gear Bearing Spacer
59 - Front Differential Drive Pinion Gear Inner Bearing Cup
60 - Front Differential Drive Pinion Gear Inner Bearing
61 - Differential Drive Pinion Gear Bearing Spacer
62 - Front Differential Drive Pinion Gear

Front Drive Axle (7.25 in Axle) (A4WD)

Front Drive Axle (7.25 in Axle):




1 - Bolt
2 - Front Drive Axle Inner Shaft Seal
3 - Front Drive Axle Inner Shaft Bearing
4 - Front Wheel Drive Intermediate Shaft Housing Plug
5 - Front Wheel Drive Intermediate Shaft Housing
6 - Front Drive Axle Inner Shaft Bearing
7 - Front Wheel Drive Shaft Thrust Washer
8 - Front Drive Axle Clutch Sleeve
9 - Front Wheel Drive Shaft Thrust Washer
10 - Front Wheel Drive Intermediate Shaft Housing
11 - Front Drive Axle Inner Shaft Bearing
12 - Front Drive Axle Inner Shaft Seal
13 - Front Drive Axle Inner Shaft
14 - Front Drive Axle Inner Shaft Seal
15 - Bolt
16 - Front Differential Carrier Case
17 - Front Differential Carrier Bearing
18 - Front Differential Bearing Adjuster Nut
19 - Front Differential Bearing Cup
20 - Front Differential Bearing
21 - Differential Ring Gear Bolt
22 - Front Differential Case
23 - Front Differential Pinion Gear Shaft
24 - Front Differential Side Gear Thrust Washer
25 - Front Differential Side Gear
26 - Front Differential Pinion Gear
27 - Front Differential Pinion Gear Thrust Washer
28 - Front Differential Side Gear
29 - Front Differential Side Gear Thrust Washer
30 - Front Differential Pinion Gear
31 - Front Differential Pinion Gear Thrust Washer
32 - Front Drive Axle Differential Pinion Gear Shaft Lock Bolt
33 - Front Differential Ring Gear
34 - Front Differential Bearing
35 - Front Differential Bearing Cup
36 - Front Differential Bearing Adjuster Nut
37 - Front Differential Carrier Bearing
38 - Front Differential Drive Pinion Gear Nut
39 - Front Differential Drive Pinion Gear Shaft Washer
40 - Front Differential Carrier Flange
41 - Front Differential Drive Pinion Gear Bearing Dirt Deflector
42 - Front Differential Drive Pinion Gear Seal
43 - Front Differential Drive Pinion Gear Outer Bearing Cup
44 - Front Differential Drive Pinion Gear Outer Bearing
45 - Front Differential Carrier Case
46 - Front Differential Carrier Vent Connector
47 - Front Differential Carrier Oil Drain Plug Washer
48 - Front Drive Axle Inner Shaft Seal
49 - Front Differential Carrier Oil Drain Plug
50 - Front Differential Carrier Oil Fill Plug
51 - Front Differential Carrier Oil Fill Plug Washer
52 - Front Differential Drive Pinion Gear Bearing Spacer
53 - Front Differential Drive Pinion Gear Inner Bearing Cup
54 - Front Differential Drive Pinion Gear Inner Bearing
55 - Differential Drive Pinion Gear Bearing Spacer
56 - Front Differential Drive Pinion Gear