Curiosii for ever!: Car repair manuals for everyone.

Fuel System Check (Low Pressure Line)

Fuel System Check (Low Pressure Line)

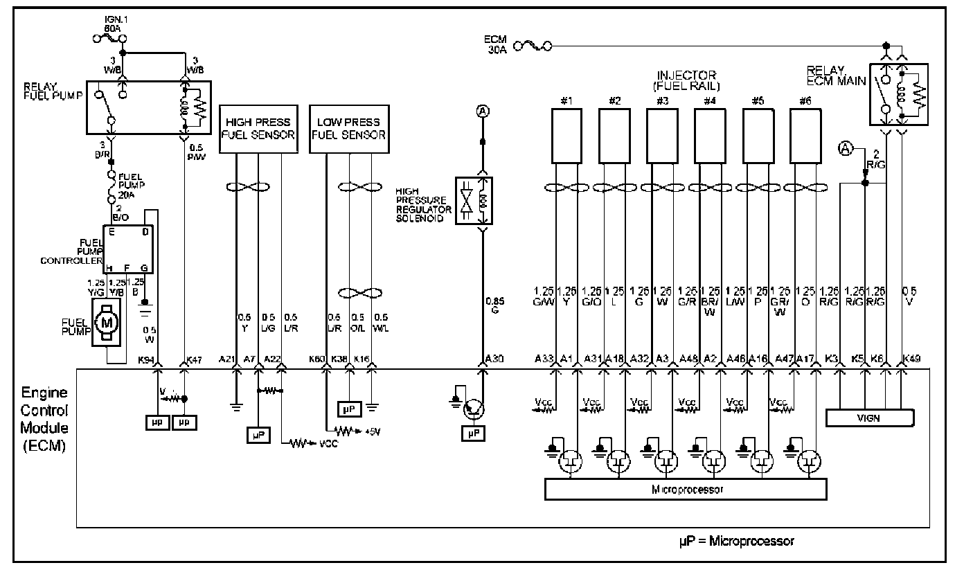
Circuit Description




Direct Injection Engine has the system, which injects the fuel into the cylinder directly. The fuel is supplied from the low pressure pump is sent to the high-pressure pump and is pressurized to 5-10 MPa in the high-pressure pump. The fuel is injected into the cylinder with this high pressure.

Fuel flow of the low-pressure side is adjusted by the fuel pump controller, which is controlled by PWM signal from ECM. This line pressure is 350 kpa at the normal condition and is 550 kpa under the hot condition. ECM controls this pressure.

Diagnostic Aids
An intermittent may be caused by a poor connection, rubbed-through wire insulation, or a wire broken inside the insulation. Check for the following items:
- Poor connection or damaged harness - Inspect the ECM harness and connectors for improper mating, broken locks, improperly formed or damaged terminals, poor terminal-to-wire connection, and damaged harness.

Test Description
Number(s) below refer to the step number(s) on the Diagnostic Chart.
2. When checking The fuel quality, it exchanges to regular fuel. And start the engine.
11. Inspect the following sensor and system. And even when DTC is not detected, check for each DTC.
- Mass Air Flow (MAF) sensor, Engine Coolant Temperature (ECT) sensor, Crankshaft Position (CKP) sensor, Camshaft Position (CMP) sensor, Fuel system (High, Low), Ignition system.
14. Check the actual fuel pressure does follow desired fuel pressure.
15. Check the operation of fuel pump electrical and mechanical. And Check the fuel pump controller.

Steps 1 - 4:




Steps 5 - 9:




Steps 10 - 12: