Curiosii for ever!: Car repair manuals for everyone.

Fuel System Check (High Pressure Line)

Fuel System Check (High Pressure Line)

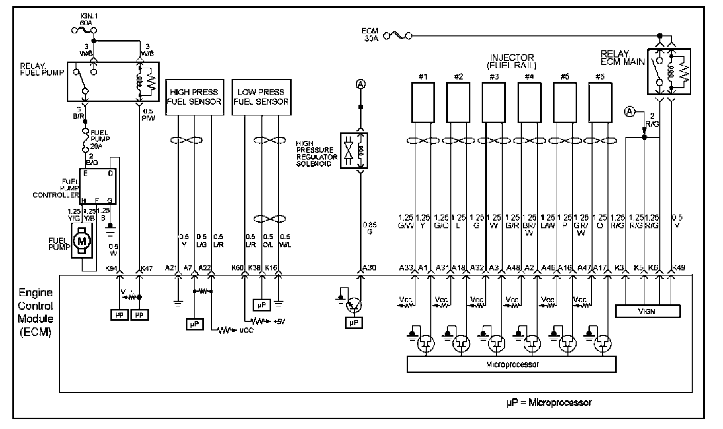
Circuit Description




Direct Injection Engine has the system, which injects the fuel into the cylinder directly. The fuel is supplied from the low pressure pump is sent to the high-pressure pump and is pressurized to 5-10 MPa in the high-pressure pump. The fuel is injected into the cylinder with this high pressure. The fuel injector is a kind of the solenoid operated valve and ECM controls the pulse width.

ECM also controls the high-side fuel pressure by the duty signal, which controls the pressure regulator. The fuel pressure sensor is located on the fuel rail and ECM monitors the signal from this fuel pressure sensor. The duty signal, which controls the pressure regulator, is decided base on the signal from the pressure sensor.

Diagnostic Aids
An intermittent may be caused by a poor connection, rubbed-through wire insulation, or a wire broken inside the insulation. Check for the following items:
- Poor connection or damaged harness - Inspect the ECM harness and connectors for improper mating, broken locks, improperly formed or damaged terminals, poor terminal-to-wire connection, and damaged harness.

Test Description
Number(s) below refer to the step number(s) on the Diagnostic Chart.
3. When checking the fuel quality, it exchanges to regular fuel. And start the engine.
4, 5. The fuel system has High Pressure Line and Low Pressure Line.
17. Check the actual fuel pressure does follow desired fuel pressure.


Steps 1 - 5:




Steps 6 - 10:




Steps 11 - 13: