Curiosii for ever!: Car repair manuals for everyone.

Starter Control System Check

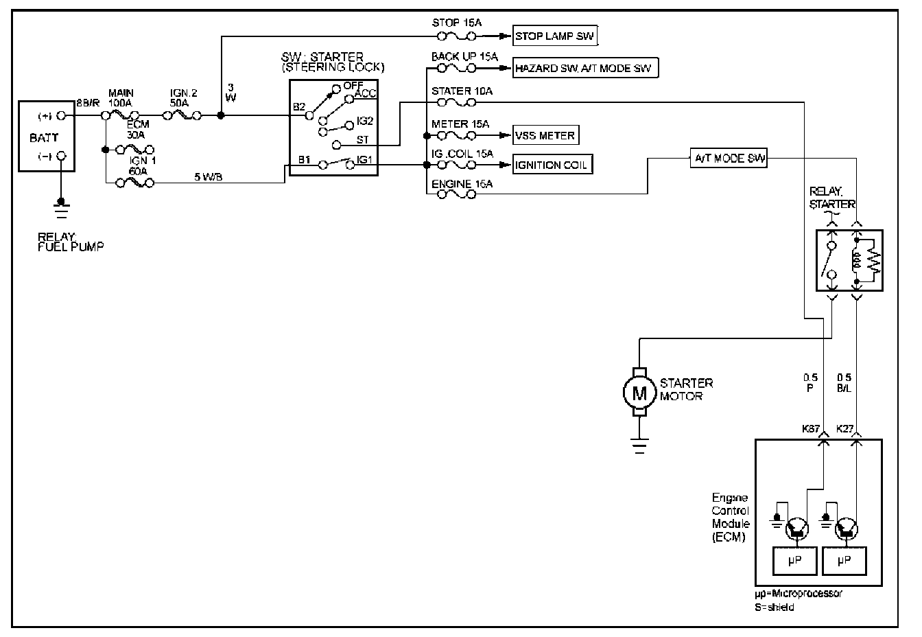
Starter Control System Check

Circuit Description




Starter control system is controlled by the Engine Control Module (ECM). The ECM monitors starter switch signal ("START" position) and MODE switch (park or neutral) signal. ECM is operated by the ignition switch.

Ignition feed voltage is supplied to the MODE switch and starter relay through the engine fuse. ECM turns the starter relay "ON" by grounding the starter relay driver circuit.

The starter motor is operated 5 to 12 seconds based on coolant temperature.

Diagnostic Aids
An intermittent may be caused by the following:
- Poor connections.
- Mis routed harness.
- Rubbed through wire insulation.
- Broken wire inside the insulation.

Test Description
2. If Immobilizer system is "ON", ECM does not operate starter control system.
19. Refer to 6D section.
21. Refer to 6D section.
24. This vehicle is equipped with a ECM which utilizes an electrically erasable programmable read only memory (EEPROM). When the ECM is replaced, the new ECM must be programmed.

Refer to ECM Replacement and Programming Procedures in Engine Control Module (ECM) and Sensors.

Steps 1 - 6:




Steps 7 - 15:




Steps 16 - 21:




Steps 22 - 31:




Step 32: