Curiosii for ever!
: Car repair manuals for everyone.
Home
>>
Isuzu Truck
>>
2004
>>
Axiom 2WD V6-3.5L
>>
Repair and Diagnosis
>>
Specifications
>>
Mechanical Specifications
>>
Heating and Air Conditioning
>>
System Specifications
System Specifications
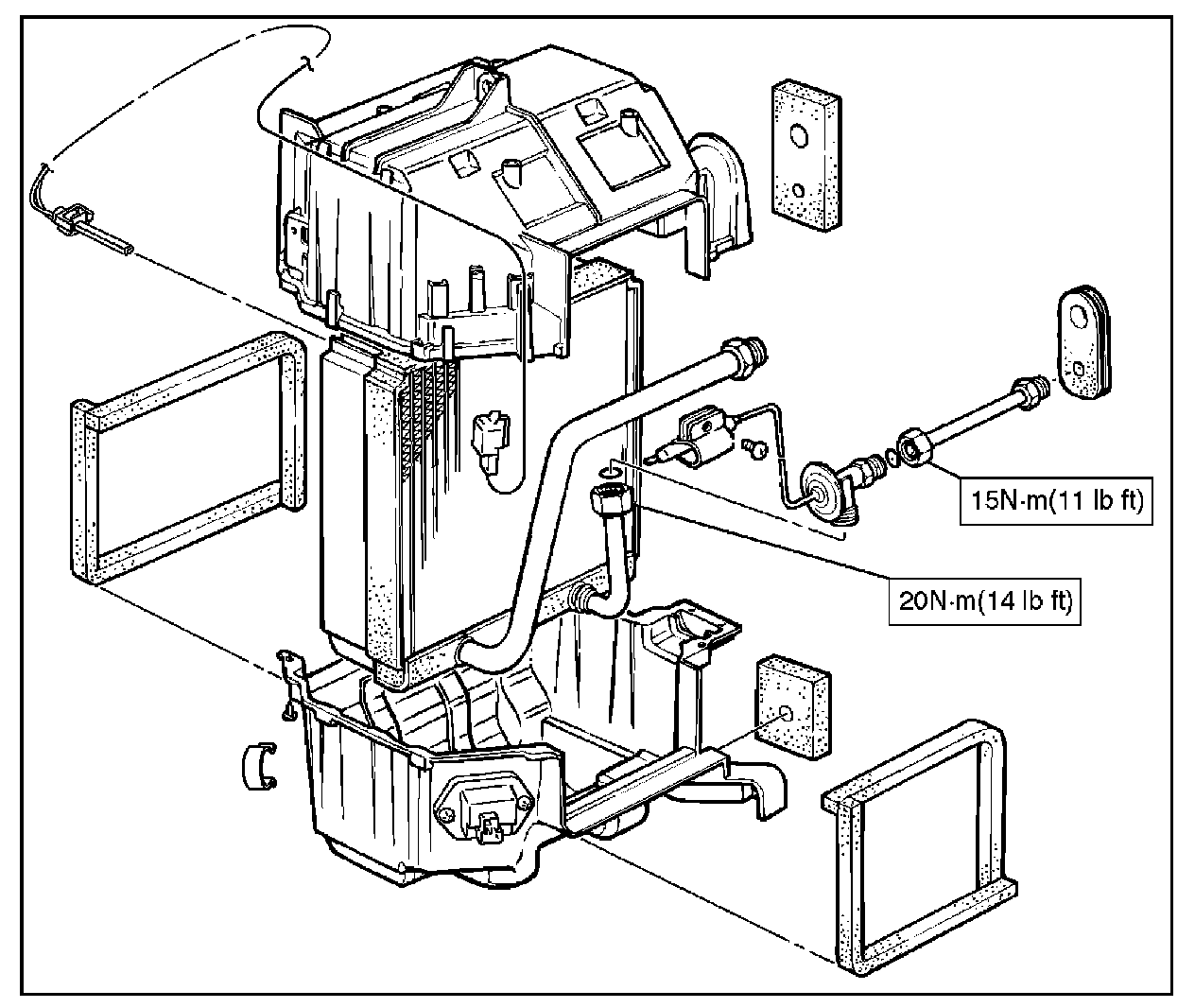
Torque Specifications Part 1:
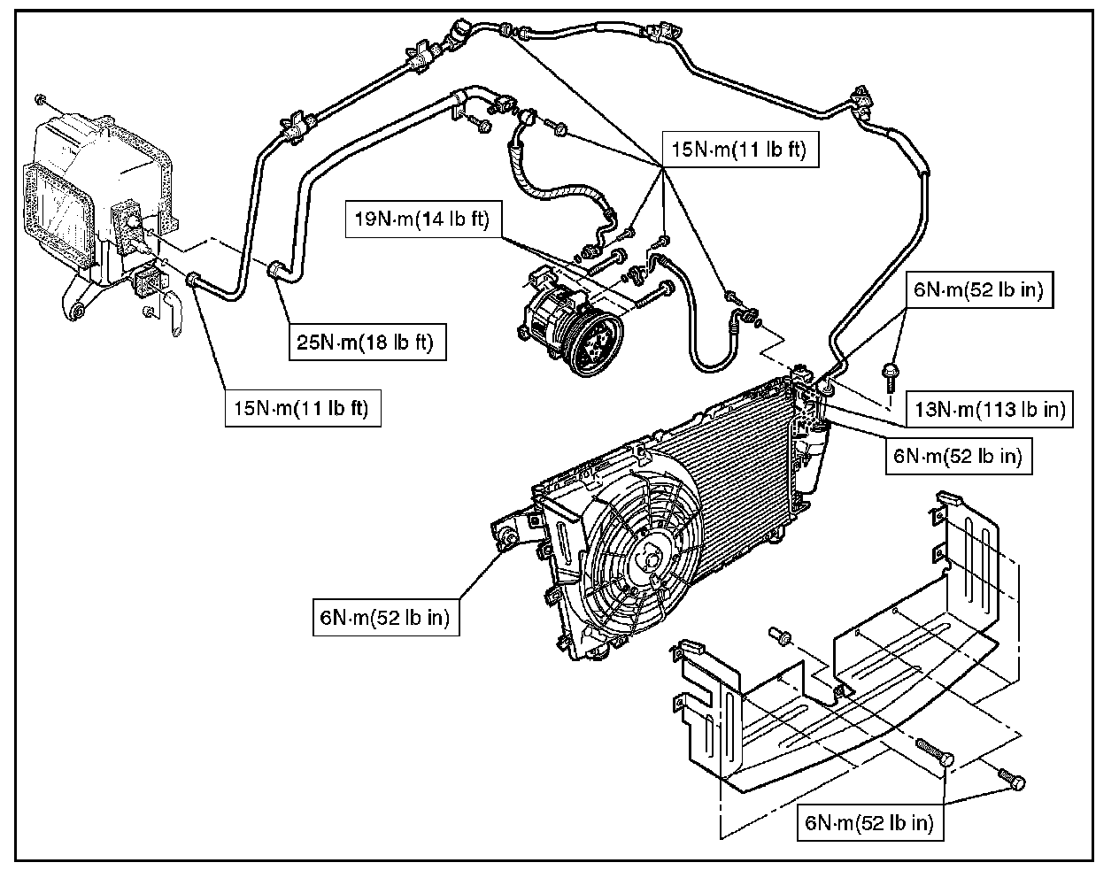
Torque Specifications Part 2: