Curiosii for ever!
: Car repair manuals for everyone.
Home
>>
Isuzu Truck
>>
2004
>>
Ascender 4WD L6-4.2L
>>
Repair and Diagnosis
>>
Diagrams
>>
Exploded Views
>>
Transfer Case
Transfer Case
Transfer Case
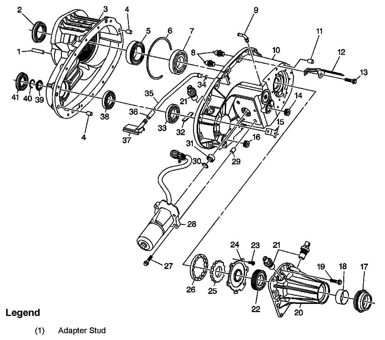
Disassembled View
Case Components (1 Of 2):
Case Components (2 Of 2):
Internal Components (1 Of 2):
Internal Components (2 Of 2):
Rear Output Shaft Assembly: