Curiosii for ever!: Car repair manuals for everyone.

Body Control Module

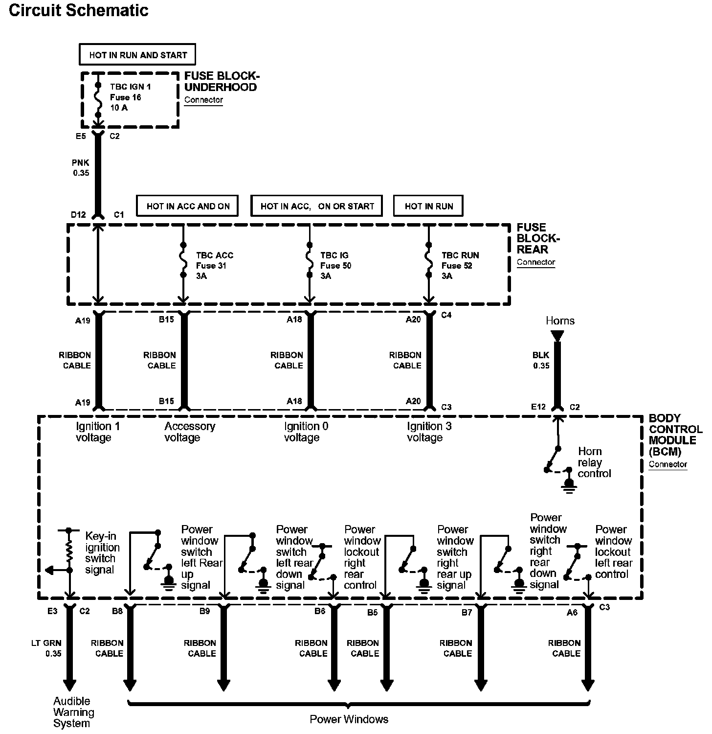
Diagram 51-0:




Diagram 51-1:




Diagram 51-2:




Diagram 51-3:




Diagram 51-4:






Diagrams: Other diagrams referred to by number within these diagrams can be found at Diagrams by Number. Diagrams By Number


Connector Views: Connector terminal views for the connectors shown within these diagrams can be found at Connector Views by Connector Number. Connector Views By Connector Number