Curiosii for ever!: Car repair manuals for everyone.

System Specifications

General Specification
Engine type, number of cylinders and arrangement
Water cooled, four cycle V6
Form of combustion chamber Pent-roof type
Valve mechanism 4-Cams, 4-Valves, DOHC Gear & Belt Drive
Cylinder liner type Cast in cylinder drive
Total piston displacement 3494 cc
Cylinder bore x stroke 93.4 x 85 mm (3.677 x 3.346 inch)
Compression ratio 9.1
Compression pressure at 300 rpm 1.37 MPa (14.0 Kg/cm2)
Engine idling speed rpm Non adjustable (750)
Valve clearance
Intake 0.28 mm (0.11 inch)
Exhaust 0.30 mm (0.12 inch)
Oil capacity 5.3 liters
Ignition timing Non adjustable (20 degree BTDC at idle rpm)
Spark plug PK16PR11, RC10PYP4, K16PR-P11
Plug gap 1.0 - 1.1 mm (0.0394 - 0.0433 inch)

General Specifications - Cooling System
Cooling system Engine coolant forced circulation
Radiator Tube type corrugated (2 tube in row)
Heat radiation capacity 85,500 kcal/h
Heat radiation area 14.02 m2 (150.9 ft2)
Radiator front area 0.263 m2 (2.83 ft2)
Radiator dry weight 56 N (12.6 lbs.)
Radiator cap valve opening pressure 93.3 - 1 22.7 kPa (13.5 - 17.8 psi)
Engine coolant capacity 2.4 lit (0.6 US gal)
Engine coolant pump Centrifugal impeller type
Delivery 300 (317) or more
Pump speed 5000 plus or minus 50 rpm
Thermostat Wax pellet type with air hole
Valve opening temperature 74.5 - 78.5 degrees C (166.1 -173.3 degrees F)
Engine coolant total capacity 10.0 lit (2.64 US gal)

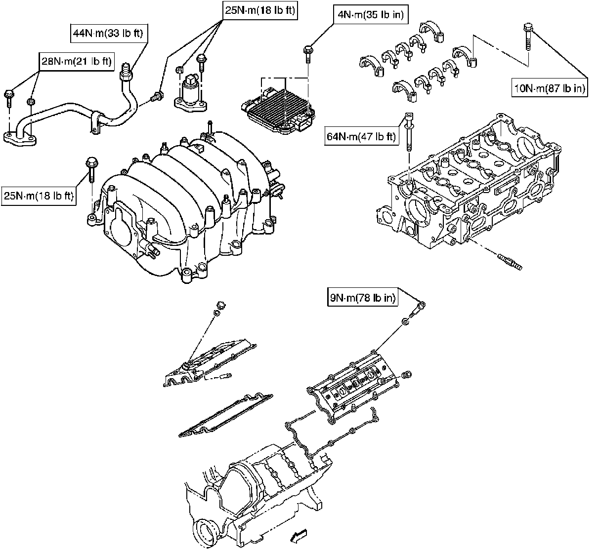
Torque Specifications Views





Ignition coil, Spark plug, Crankshaft position sensor and Under cover





Cylinder head cover, Cylinder head, Camshaft bearing cap, Common chamber, EGR valve and EGR pipe, Ion sensing module





Crankshaft main bearing, Flywheel, Crankcase, Oil pan, Timing belt tensioner, Timing pulley, Timing belt cover, Oil pump, Oil gallery, Oil strainer and water pump





Connecting Rod and Water Pump





Engine Mount





Cooling System Torque Specifications