Curiosii for ever!: Car repair manuals for everyone.

Differential Assembly

G-5


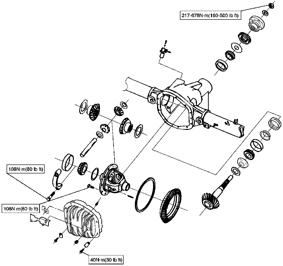
Differential Front

General Specifications


Axle tube Type It consists of a duct, a cast iron housing and an axle tube
Gear type Hypoid
Gear ratio 4.300
Differential type Two pinion
Axle shaft type
Constant velocity joint (Birfield joint type and double offset joint)
Hub locking Type Rigid

Torque Specifications





1 of 2





2 of 2


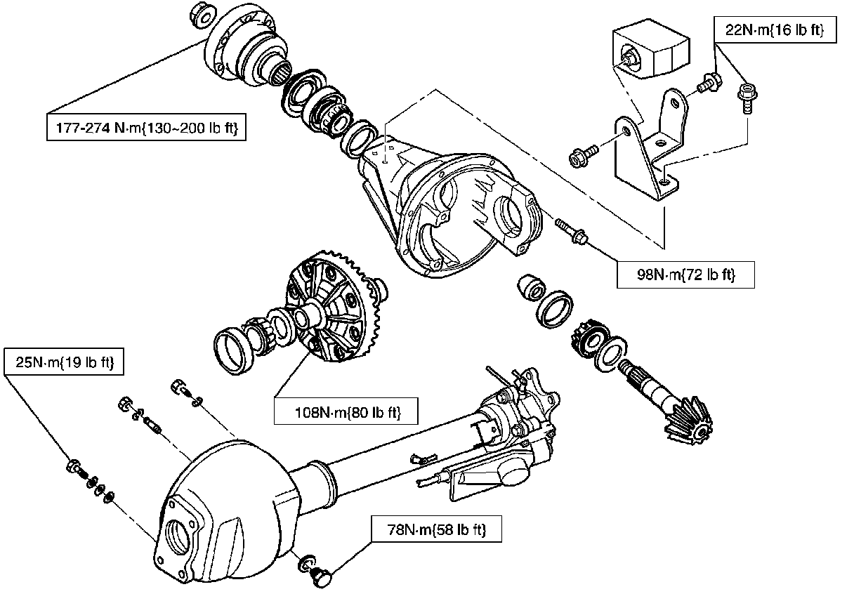
Differential (Rear)

General Specifications
Rear axle
Type Salisbury, Semi-floating
Rear axle Size 226 mm 8.9 inch
Gear type Hypoid
Gear ratio 4.300
Differential type Two pinion





Torque Specifications