Curiosii for ever!: Car repair manuals for everyone.

General description

General Description
The 4L30-E is a 4-speed fully automatic transmission. It uses a microcomputer as a control unit to judge running conditions including throttle opening rate and vehicle speed, then it sets the shifting point in the optimum timing so that best driving performance can be achieved.
In addition, the built-in shift mode select function can select three shift modes according to the driver's preference:
^ Normal mode - Normal shift pattern.
^ Winter mode - Starts in 3rd gear to reduce slippage on ice or snow.
^ Power mode has a delayed upshift when more powerful acceleration is required.
Also, the built-in fail safe function ("backup mode") assures driving performance even if the vehicle speed sensor, throttle signal or any solenoid fails.
Further, the self-diagnostic function conducts diagnosis in a short time when the control system fails, thus improving serviceability.
The major features of 4L30-E are as follows:
^ A compact structure consisting of 2 sets of planetary gears and flat torque converter.
^ Electronic control selects the optimum shift mode according to the driving conditions.
^ Electronic control maintains the optimum hydraulic pressure for clutch, band brake as well as transmission so that shift feeling is improved.
^ Two sets of planetary gears reduce friction of power train.
Also, a lockup mechanism in the torque converter reduces fuel consumption.
^ Wide gear ratio and high torque rate of torque converter provide excellent starting performance.





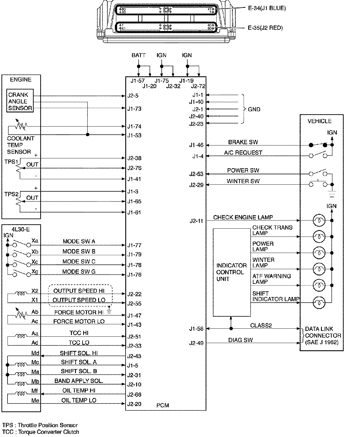
Electronic Control Diagram





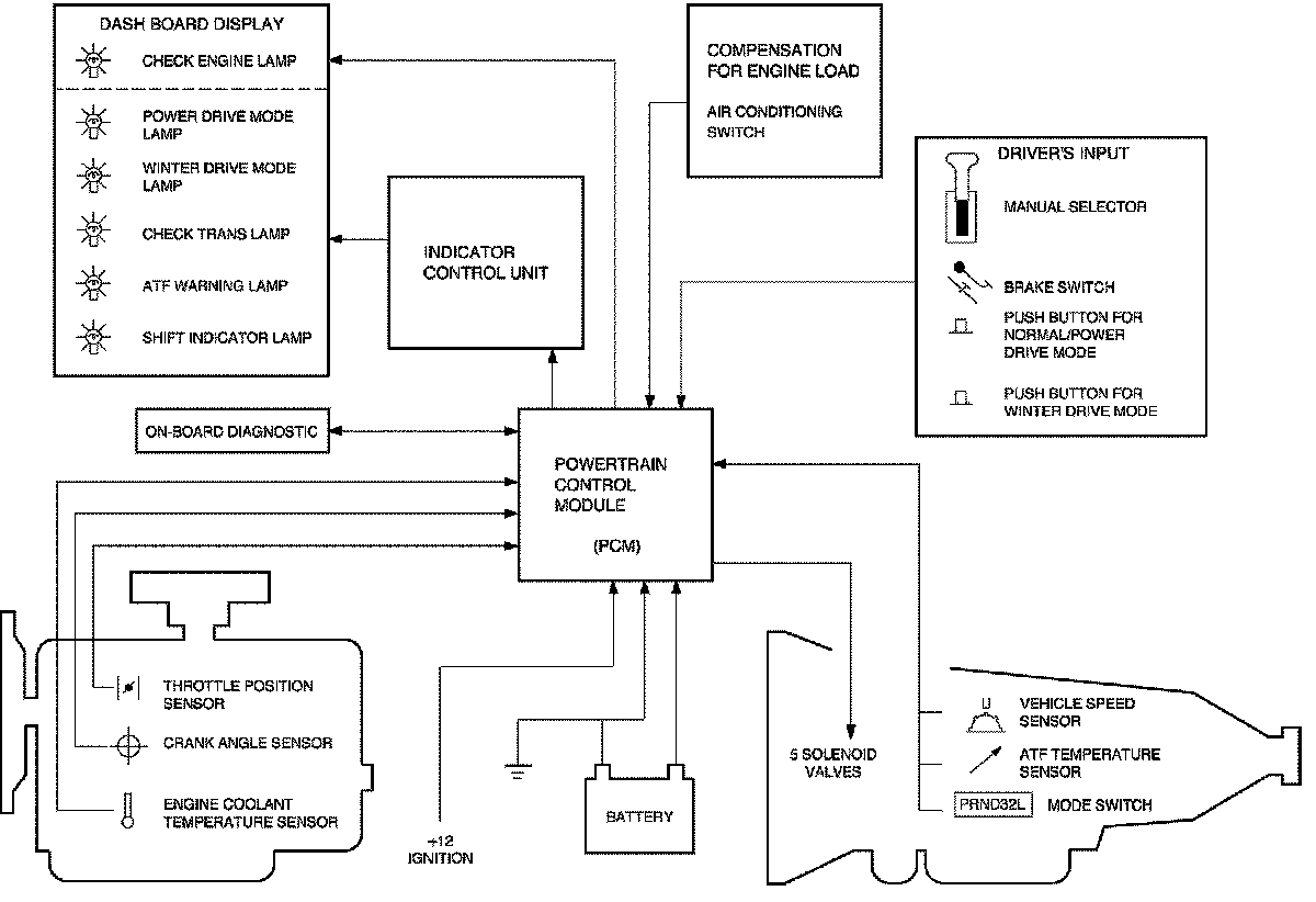
Powertrain Control Module (PCM)