Curiosii for ever!
: Car repair manuals for everyone.
Home
>>
Isuzu Truck
>>
2003
>>
Axiom 2WD V6-3.5L
>>
Repair and Diagnosis
>>
Diagrams
>>
Electrical Diagrams
>>
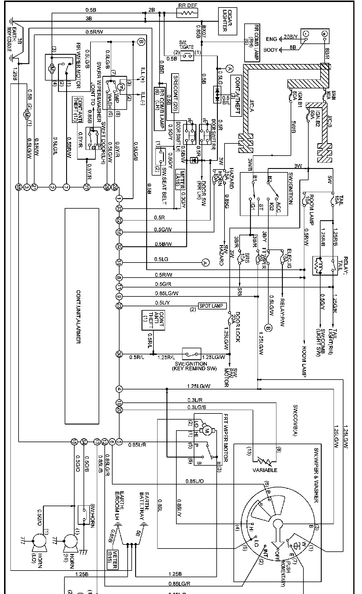
General Module
General Module
<`m Alarm And Relay Control Unit: