Curiosii for ever!
: Car repair manuals for everyone.
Home
>>
Isuzu Truck
>>
2003
>>
Ascender 4WD L6-4.2L
>>
Repair and Diagnosis
>>
Powertrain Management
>>
Computers and Control Systems
>>
Fuel Tank Pressure Sensor
>>
Locations
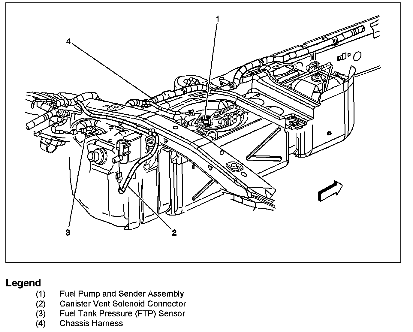
Fuel Tank Pressure Sensor: Locations
115. Rear Of Fuel Tank:
Chassis Harness, Fuel Tank: