Curiosii for ever!: Car repair manuals for everyone.

Intake Manifold

Fastener Tightening Specifications

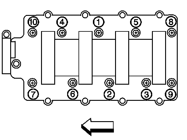
Intake Manifold Tightening Sequence:





Intake Manifold Bolts - First Pass in Sequence 5 Nm (44 inch lbs.)
Intake Manifold Bolts- Final Pass in Sequence 10 Nm (89 inch lbs.)
Intake Manifold Wiring Harness Stud 10 Nm (89 inch lbs.)
Throttle Body Nuts 10 Nm (89 inch lbs.)
Throttle Body Studs 6 Nm (53 inch lbs.)

Engine Mechanical Specifications
Intake Manifold
Surface Flatness - Measured at Gasket Sealing Surfaces and Measured Within a 200 mm (7.87 in) Area that includes Two Runner Port Openings; 0.3 mm (0.118 inch)