Curiosii for ever!: Car repair manuals for everyone.

Engine Control Module: Service and Repair

Powertrain Control Module (PCM) Replacement
Service of the powertrain control module (PCM) should consist of either replacement of the PCM or programming of the electrically erasable programmable read only memory (EEPROM). If the diagnostic procedures call for the PCM to be replaced, the replacement PCM should be checked to ensure that the correct part is being used. If the correct part is being used, remove the faulty PCM and install the new service PCM.


Removal Procedure

Important: To prevent internal PCM damage, the ignition switch must be OFF when disconnecting or reconnecting power to the PCM.
Remove any debris from around the PCM connector surfaces before servicing the PCM. Inspect the PCM module connector gaskets when diagnosing or replacing the PCM. Ensure that the gaskets are installed correctly. The gaskets prevent contaminant intrusion into the PCM.
The replacement PCM must be programmed.

1. Disconnect the negative battery cable.
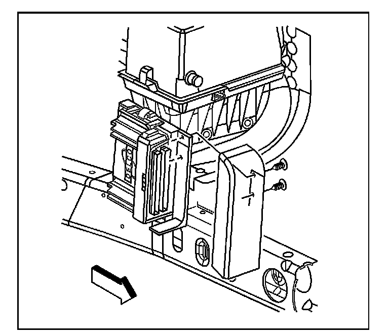
2. Remove the PCM cover retainers.







3. Remove the PCM cover.
4. Release the spring latch from the PCM.
5. Release the PCM mounting tabs from the PCM







6. Remove the PCM.
7. Loosen the PCM electrical connector bolts.

NOTE: Refer to PCM and ESD Notice in Cautions and Notices.
Service Precautions


NOTE: In order to prevent internal damage to the PCM, the ignition must be OFF when disconnecting or reconnecting the PCM connector.







8. Disconnect the PCM electrical connectors.



Installation Procedure
1. Connect the PCM electrical connectors.







2. Tighten the PCM electrical connector bolts.


Tighten the bolts to ....8 N.m (71 lb in).

3. Remove the PCM.
4. Ensure that the mounting tabs are engaged.







5. Secure the spring latch to the PCM.
6. Install the PCM cover.
7. Install the PCM cover retainers.







8. Connect the negative battery cable.