Curiosii for ever!: Car repair manuals for everyone.

Knock Sensor: Service and Repair

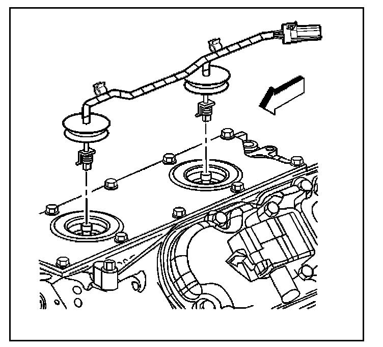
Knock Sensor (KS) Replacement

Removal Procedure
1. Remove the intake manifold.
2. Gently pry up the rubber covers.







3. Disconnect the knock sensor electrical connectors.







4. Remove the knock sensors.

Installation Procedure








1. Install the knock sensors.

Tighten the sensors to .........................20 N.m (15 lb ft).

2. Connect the knock sensor electrical connectors.







3. Install the intake manifold.