Curiosii for ever!
: Car repair manuals for everyone.
Home
>>
Isuzu Truck
>>
2003
>>
Ascender 2WD V8-5.3L
>>
Repair and Diagnosis
>>
Diagrams
>>
Exploded Views
>>
Engine
>>
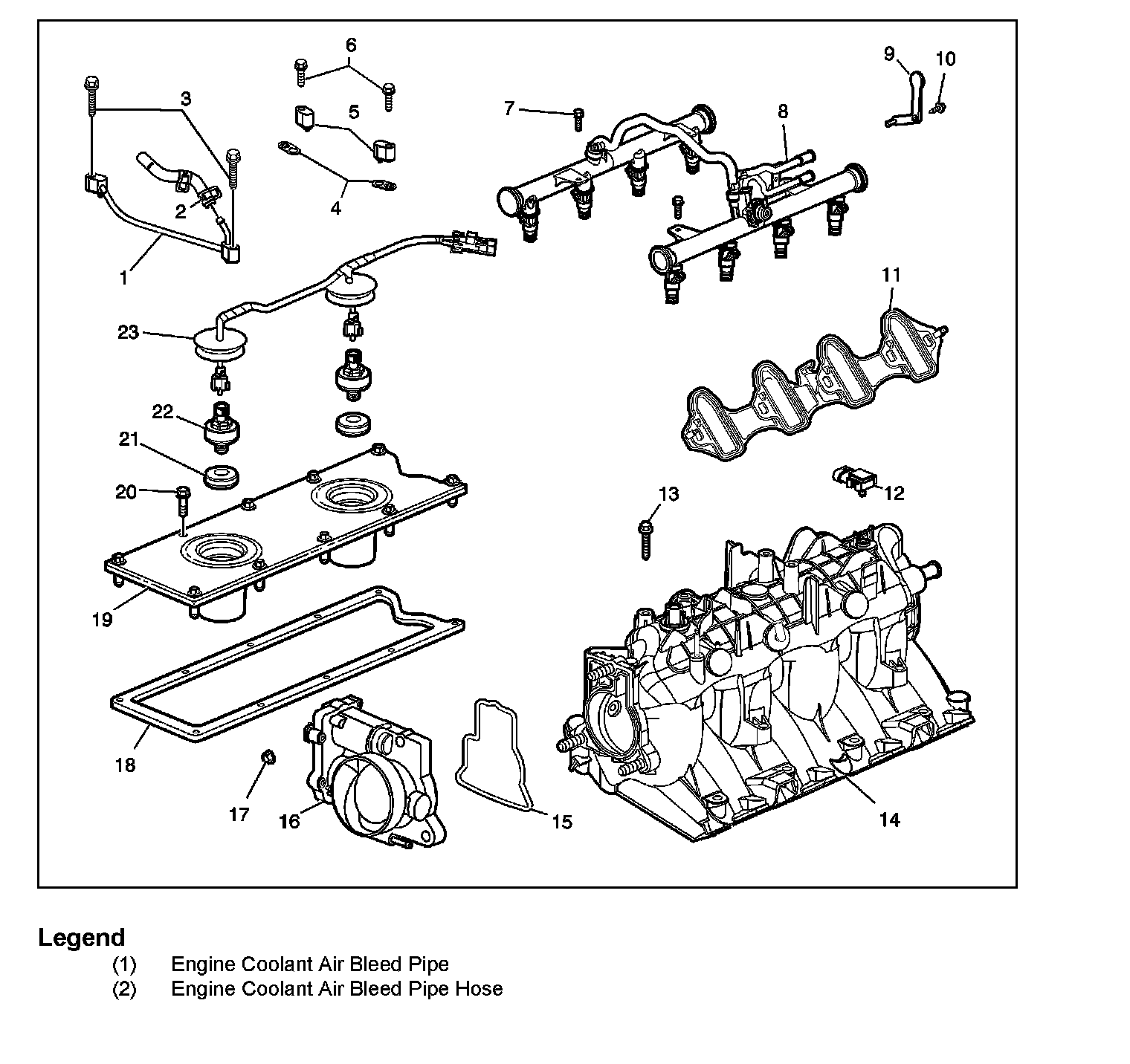
Intake Manifold/Upper Engine
Intake Manifold/Upper Engine
Intake Manifold/Upper Engine (1 Of 2):
Intake Manifold/Upper Engine (2 Of 2):