Curiosii for ever!: Car repair manuals for everyone.

Generator Bracket Replacement

Generator Bracket Replacement

Removal Procedure
1. Remove the generator.
2. Remove the power steering pump.
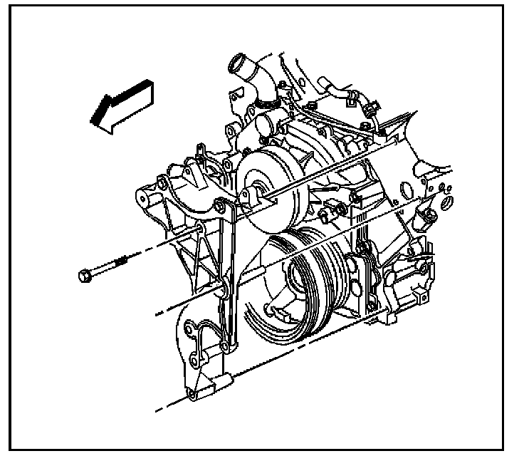
3. Remove the generator bracket bolts.




4. Remove the generator bracket.

Installation Procedure
1. Install the generator bracket.

NOTE: Refer to Fastener Notice in Cautions and Notices.

2. Install the generator bracket bolts.

Tighten:
Tighten the bolts to 50 Nm (37 lb ft).

3. Install the power steering pump.




4. Install the generator.