Curiosii for ever!
: Car repair manuals for everyone.
Home
>>
Isuzu Truck
>>
2003
>>
Ascender 2WD L6-4.2L
>>
Repair and Diagnosis
>>
Powertrain Management
>>
Computers and Control Systems
>>
Transmission Position Sensor/Switch
>>
Locations
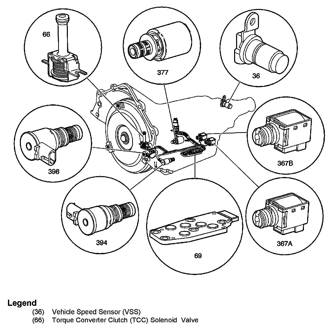
Transmission Position Sensor/Switch: Locations
Automatic Transmission Electronic Component Views
Electronic Components:
Park Neutral Position (PNP) Switch:
C175:
Vehicle Speed Sensor (VSS):