Curiosii for ever!
: Car repair manuals for everyone.
Home
>>
Isuzu Truck
>>
2003
>>
Ascender 2WD L6-4.2L
>>
Repair and Diagnosis
>>
Heating and Air Conditioning
>>
Control Module HVAC
>>
Locations
>>
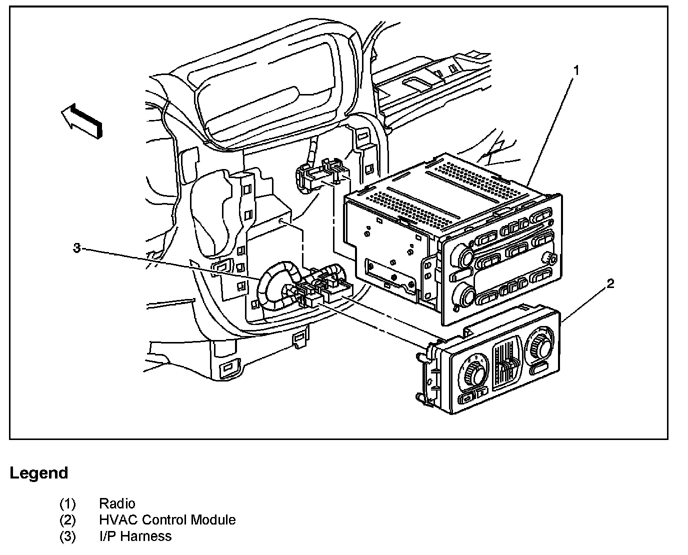
HVAC Systems - Manual
HVAC Systems - Manual
Instrument Panel, Center:
Lower Console: