Curiosii for ever!
: Car repair manuals for everyone.
Home
>>
Isuzu Truck
>>
2003
>>
Ascender 2WD L6-4.2L
>>
Repair and Diagnosis
>>
Diagrams
>>
Exploded Views
>>
Engine
>>
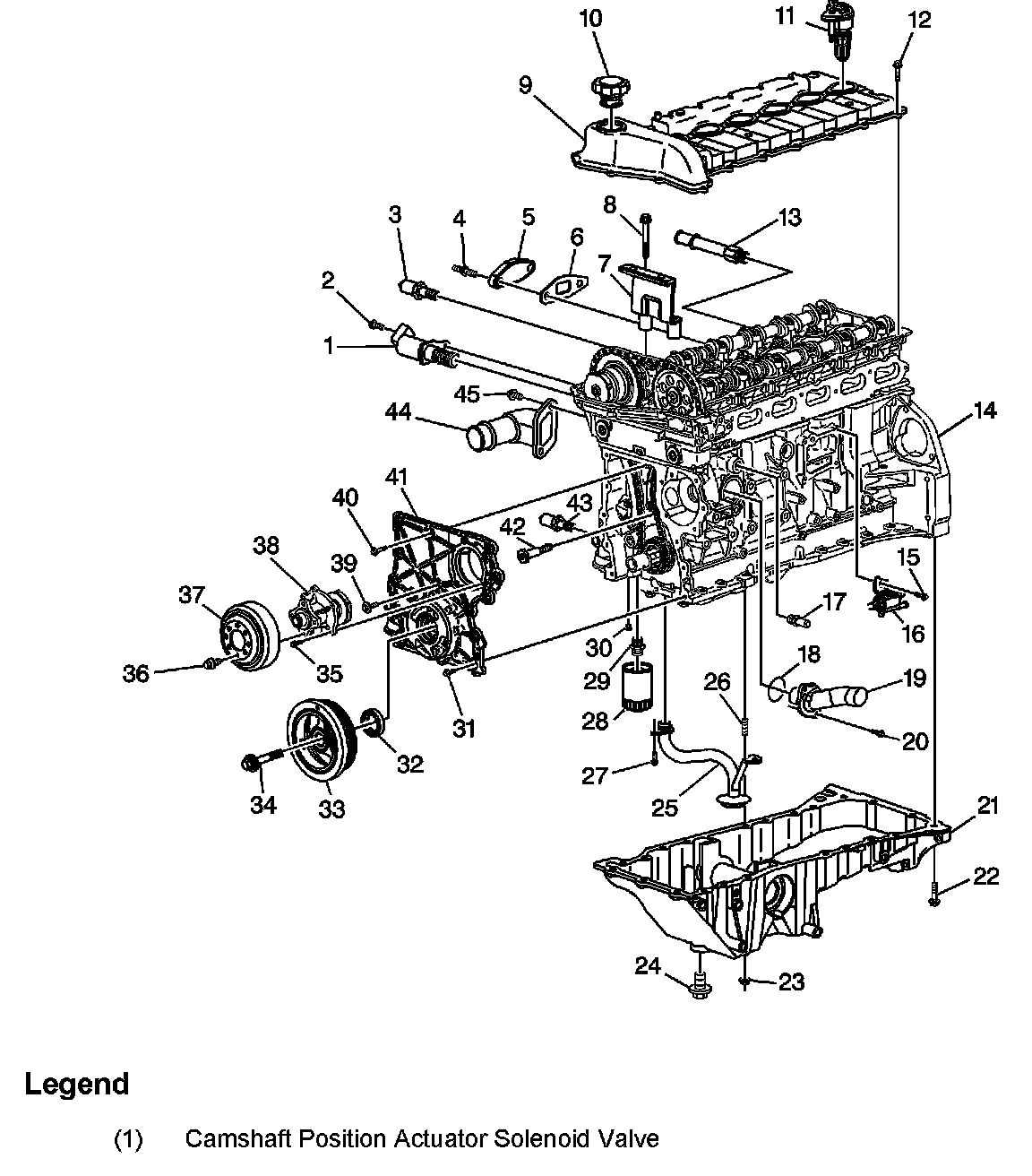
Engine Cover and Components
Engine Cover and Components
Engine Cover and Components (1 Of 2):
Engine Cover and Components (2 Of 2):