Curiosii for ever!: Car repair manuals for everyone.

System Specifications





General Specification

Torque Specifications





Ignition coil, Spark plug, Crankshaft position sensor and Under cover





Cylinder Head Cover, Cylinder Head, Camshaft Bearing Cap, Common Chamber, EGR Valve and EGR Pipe, Ion Sensing Module





Crankshaft Main Bearing, Flywheel, Crankcase, Oil Pan, Timing Belt Tensioner, Timing Pulley, Timing Belt Cover, Oil Pump, Oil Gallery, Oil Strainer and Water Pump





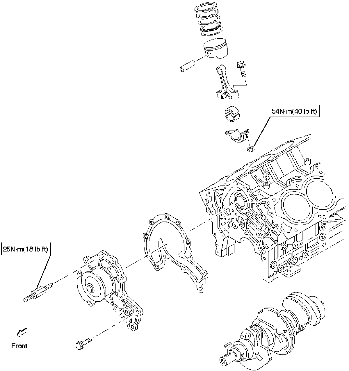
Connecting Rod and Water Pump





Engine Mount

Cylinder Block General Specifications
Warpage
Limit: 0.15 mm (0.0059 inch)
Maximum repairable limit: 0.15 mm (0.0059 inch)
Cylinder Bore Inside Diameter
Grade A: 93.400 mm - 93.410 mm (3.6772 inch - 3.6776 inch)
Grade B: 93.411 mm - 93.420 mm (3.6776 inch - 3.6779 inch)
Grade C: 93.421 mm - 93.430 mm (3.6780 inch - 3.6783 inch)