Curiosii for ever!: Car repair manuals for everyone.

Engine Control Module

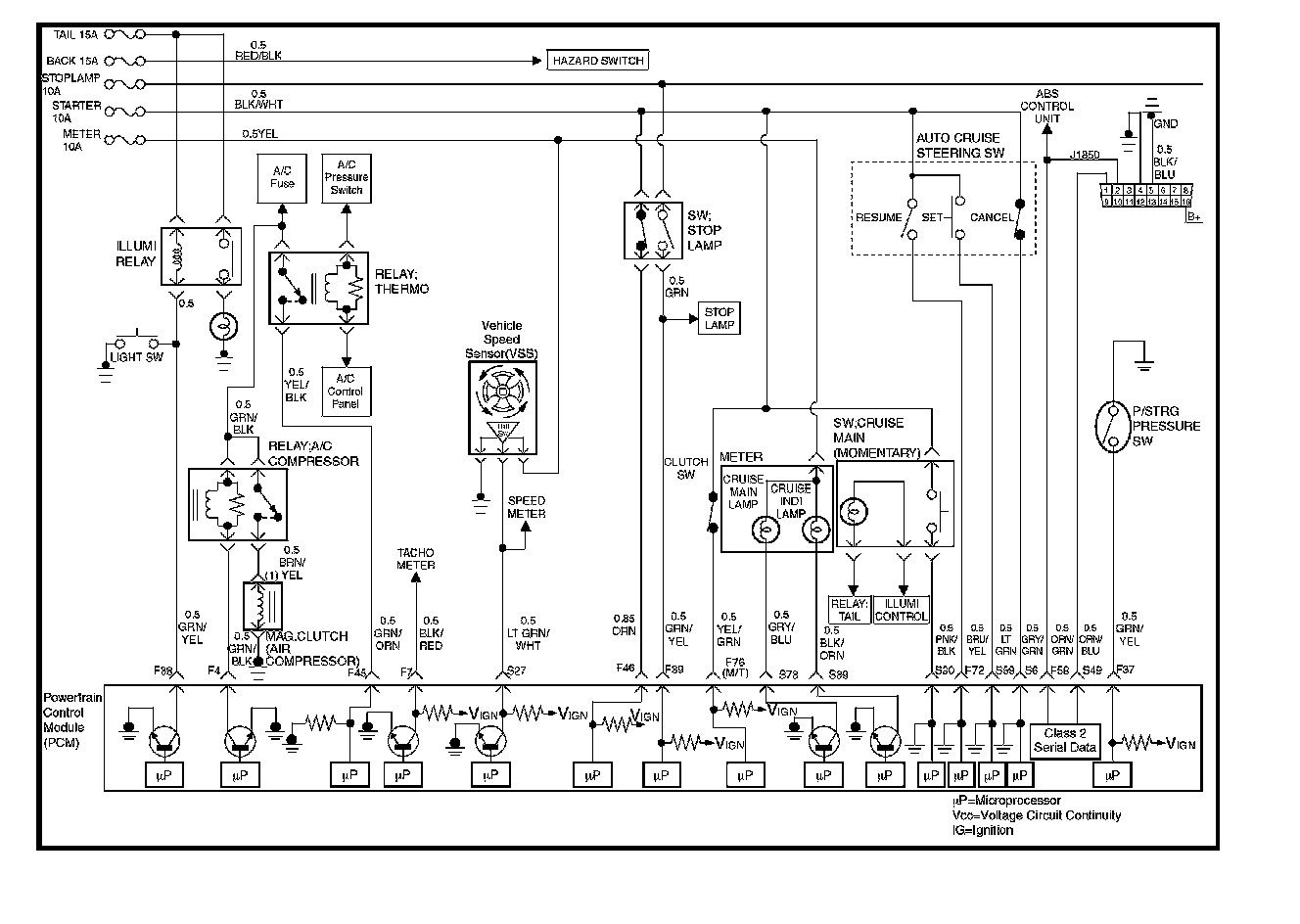
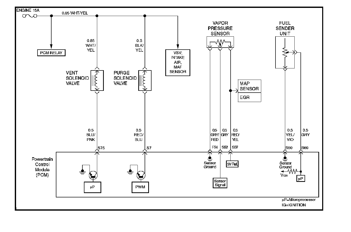
PCM Wiring Diagram (1 Of 8):



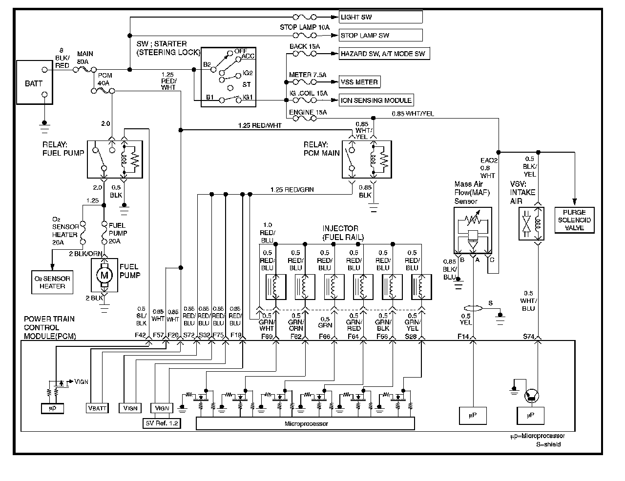
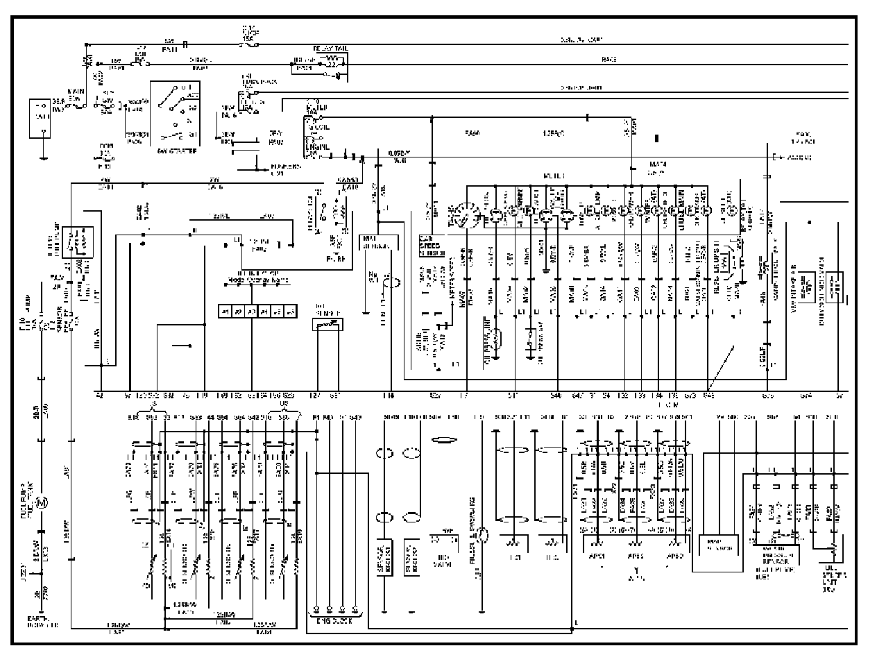
PCM Wiring Diagram (2 Of 8):



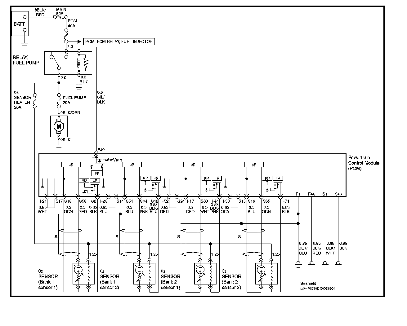
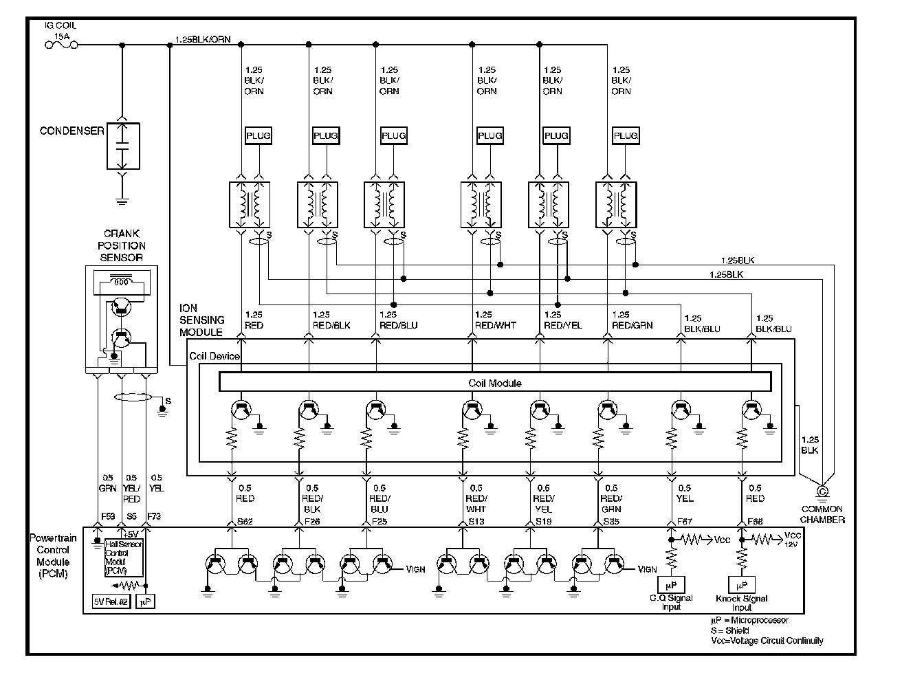
PCM Wiring Diagram (3 Of 8):



PCM Wiring Diagram (4 Of 8):



PCM Wiring Diagram (5 Of 8):



PCM Wiring Diagram (6 Of 8):



PCM Wiring Diagram (7 Of 8):



PCM Wiring Diagram (8 Of 8):



Wiring Diagram - PCM-1:



Wiring Diagram - PCM-2: