Curiosii for ever!
: Car repair manuals for everyone.
Home
>>
Isuzu Truck
>>
2002
>>
Trooper LS 2WD V6-3.5L
>>
Repair and Diagnosis
>>
Diagrams
>>
Electrical Diagrams
>>
General Module
General Module
Alarm And Relay Controls Image 70:
Alarm And Relay Controls Image 70-1:
Alarm And Relay Controls Image 70-2:
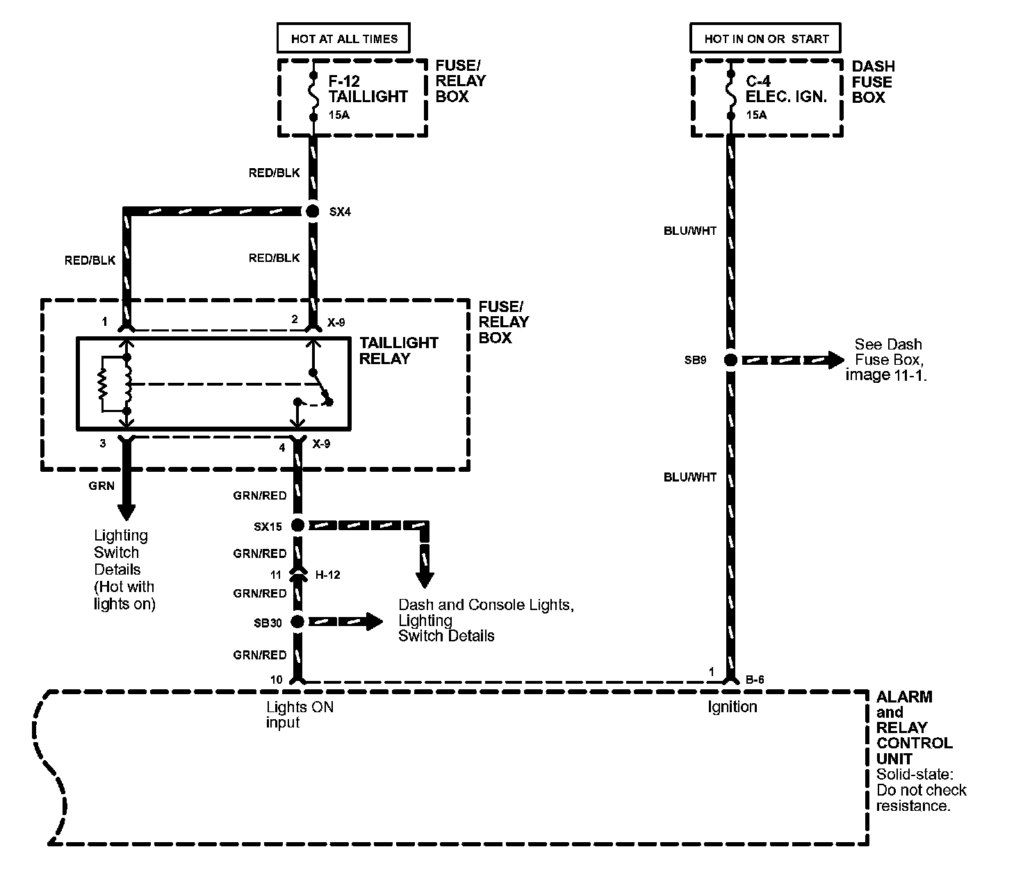
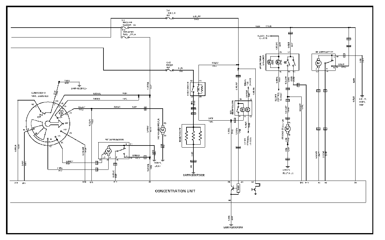
Wiring Diagram - Alarm And Relay Control Unit - 1:
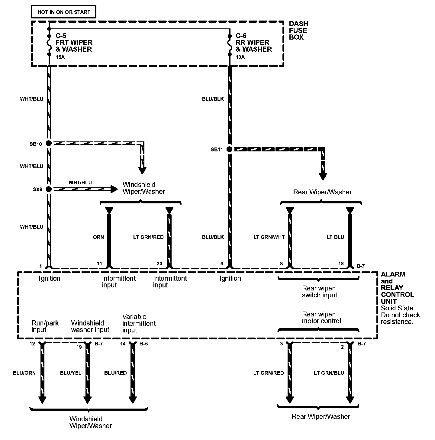
Wiring Diagram - Alarm And Relay Control Unit - 2: