Curiosii for ever!
: Car repair manuals for everyone.
Home
>>
Isuzu Truck
>>
2002
>>
Rodeo S 2WD L4-2.2L
>>
Repair and Diagnosis
>>
Power and Ground Distribution
>>
Fuse Block
>>
Diagrams
>>
Dash Fuse Box
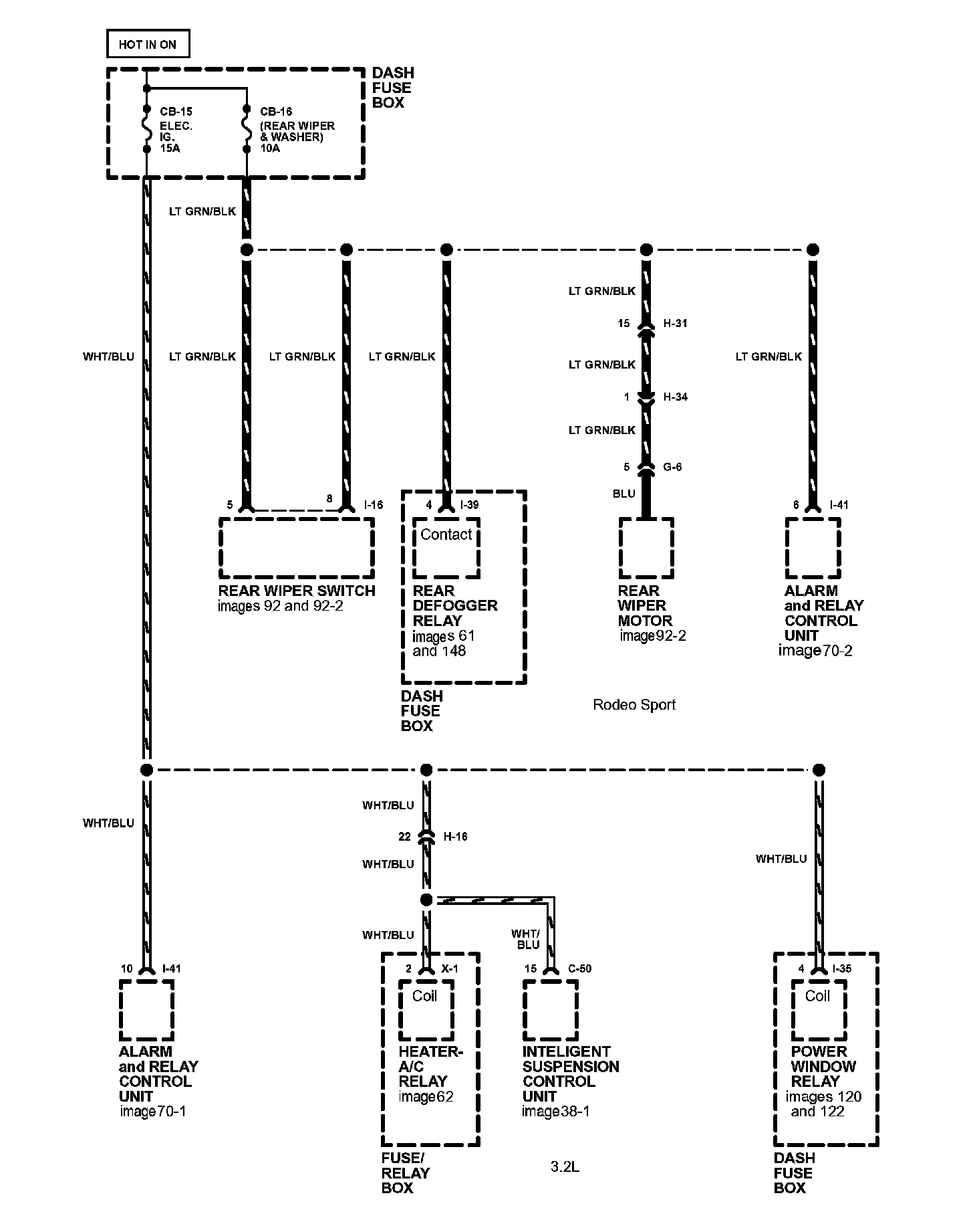
Dash Fuse Box
Fuse Block Circuit-1:
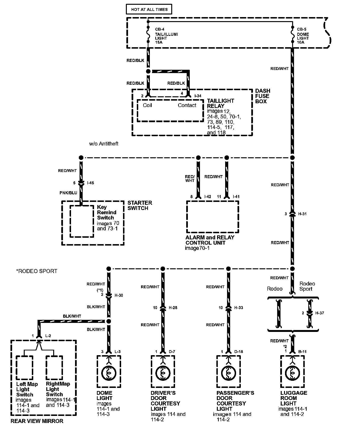
Dash Fuse Box Image 11:
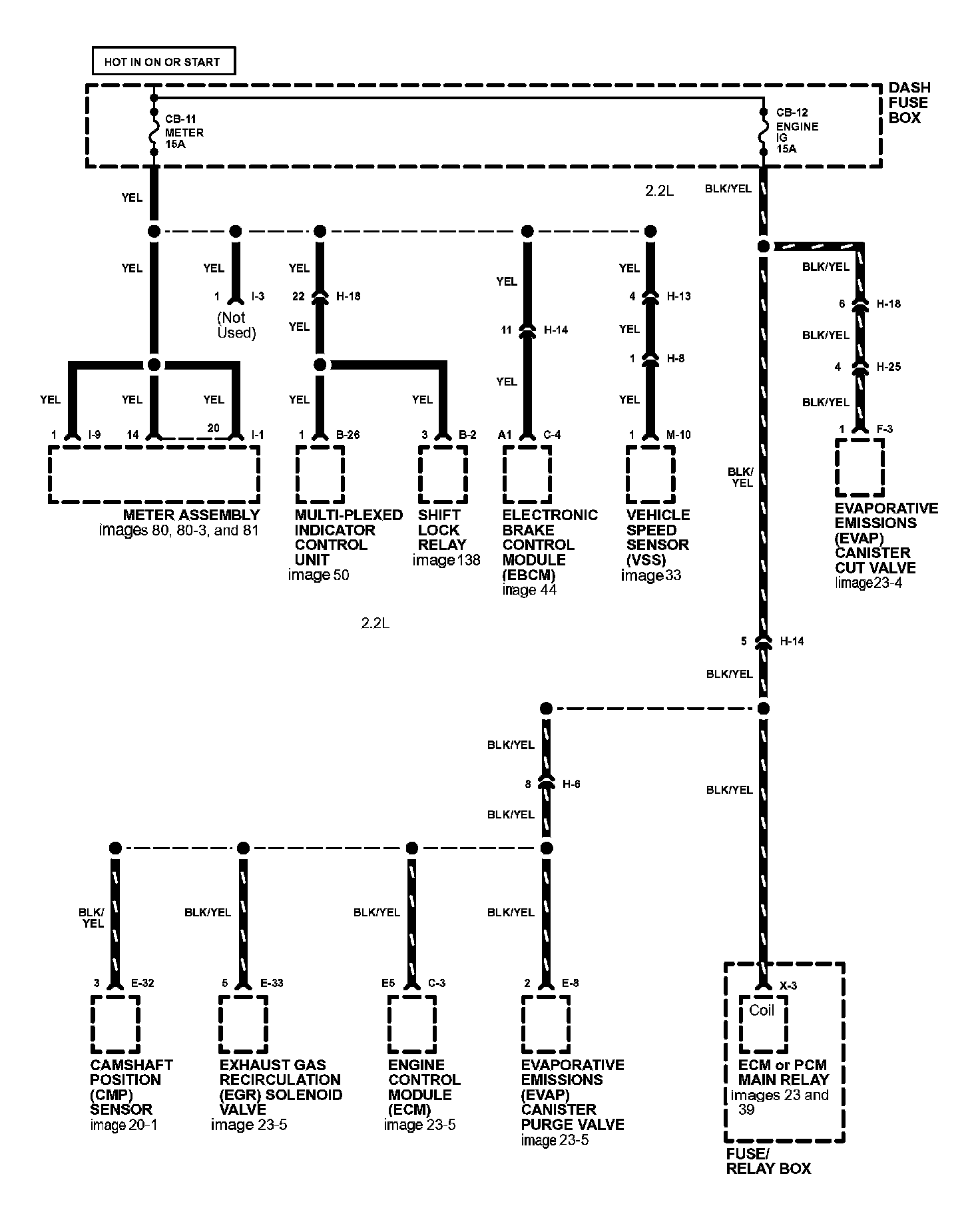
Dash Fuse Box Image 11-1:
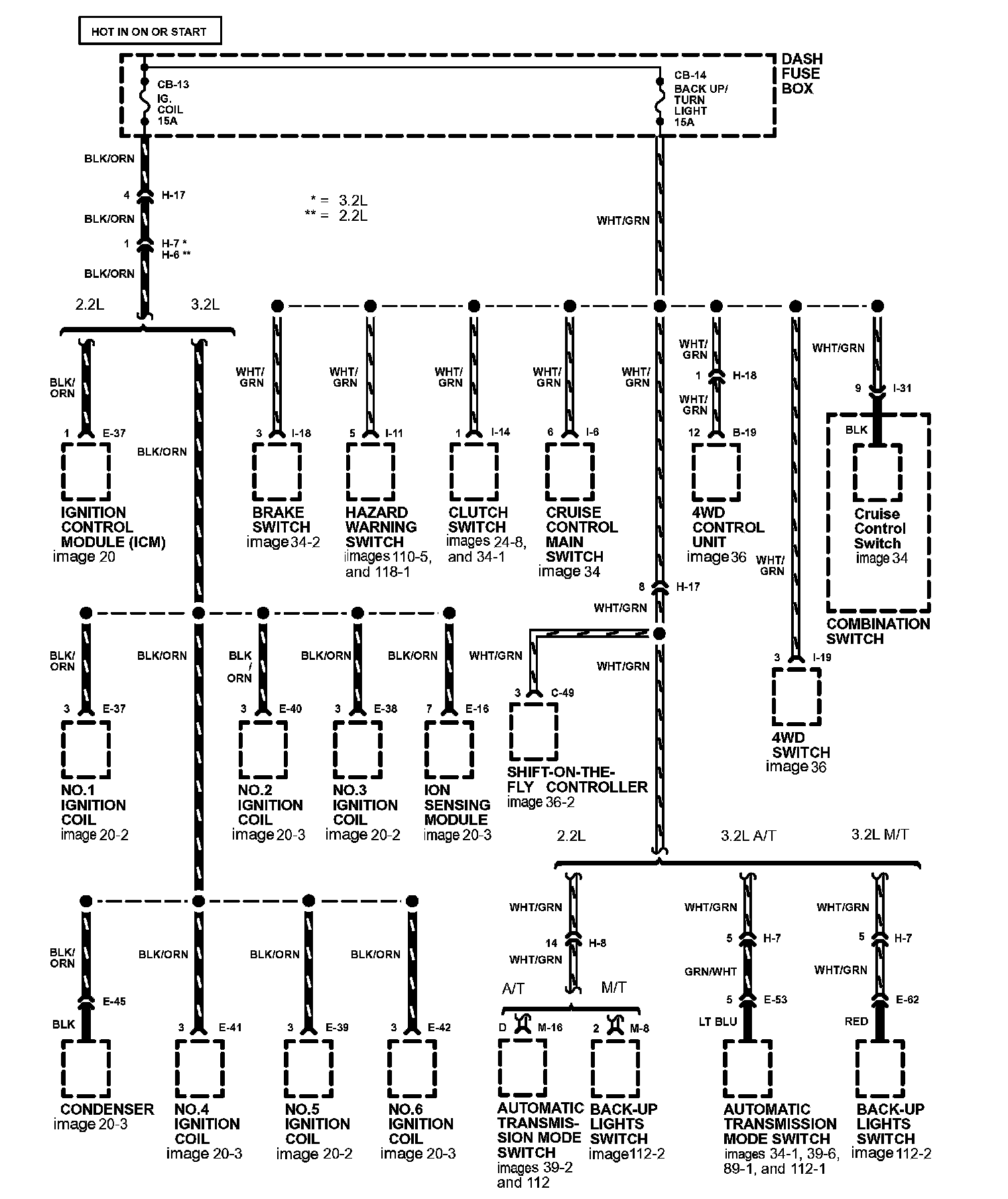
Dash Fuse Box Image 11-2:
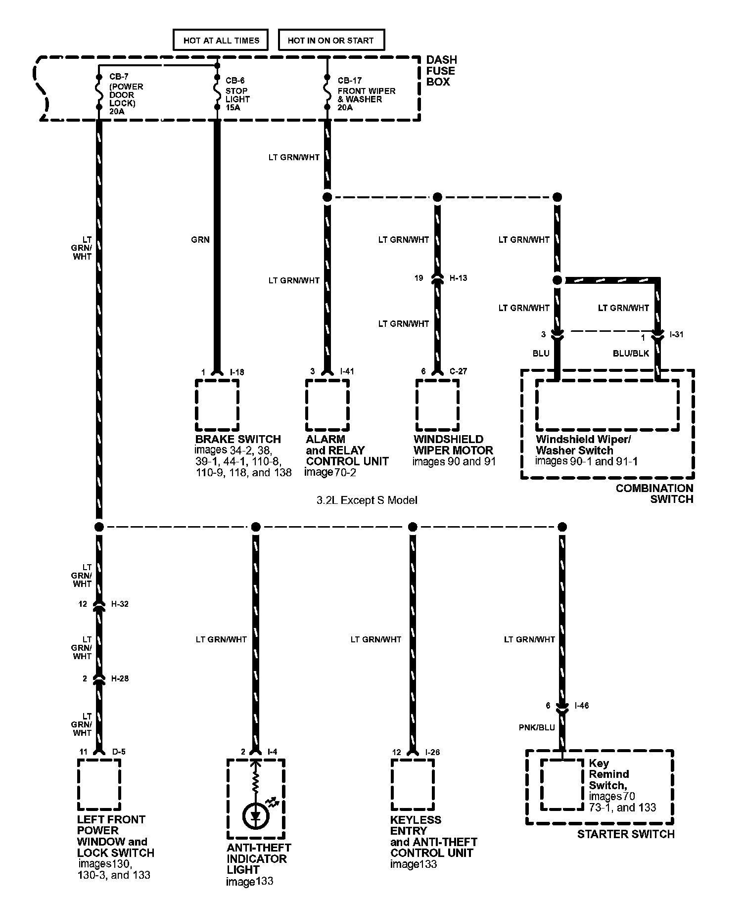
Dash Fuse Box Image 11-3:
Dash Fuse Box Image 11-6:
Dash Fuse Box Image 11-7: