Curiosii for ever!
: Car repair manuals for everyone.
Home
>>
Isuzu Truck
>>
2002
>>
Axiom 4WD V6-3.5L
>>
Repair and Diagnosis
>>
Diagrams
>>
Electrical Diagrams
>>
General Module
General Module
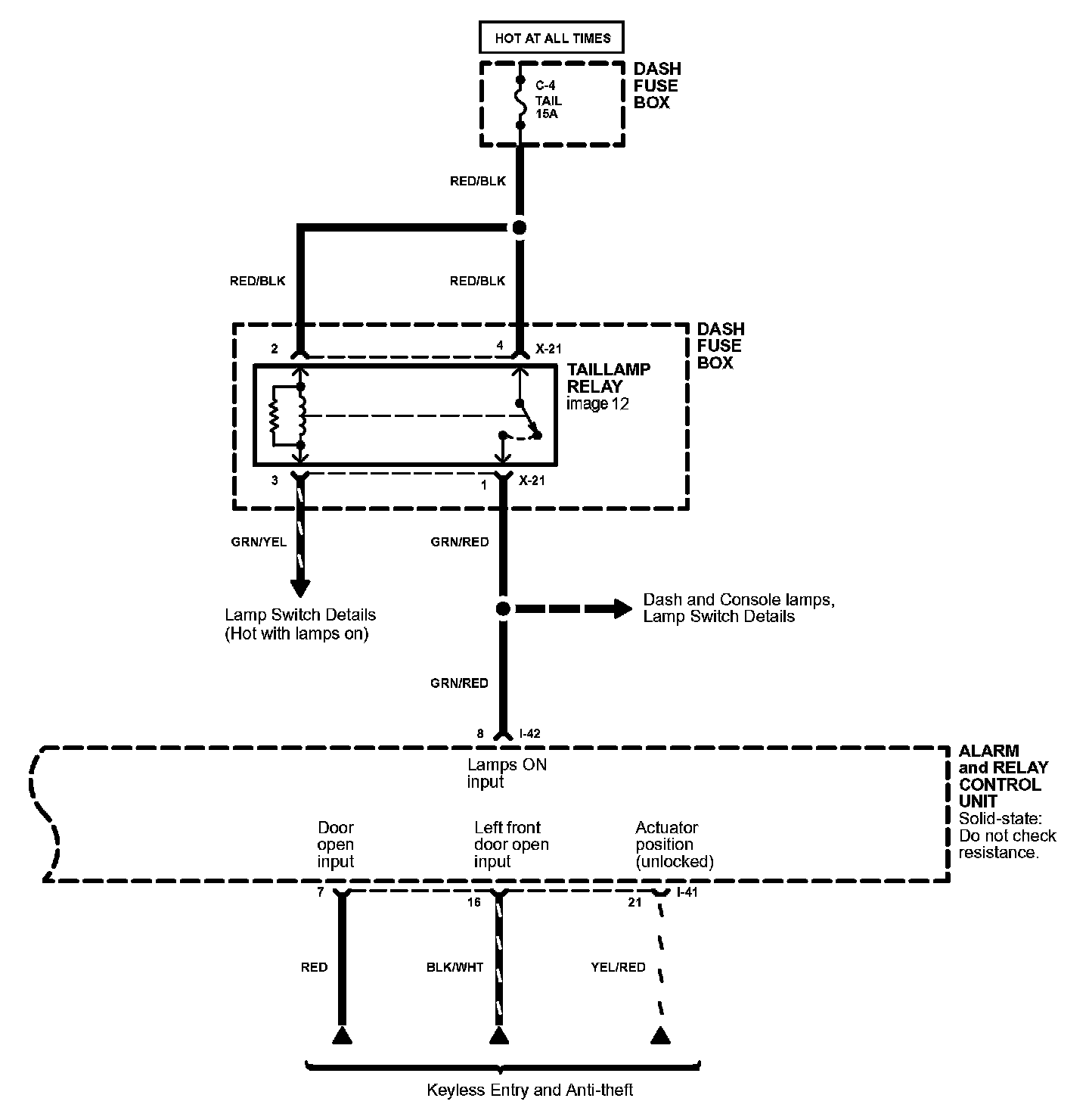
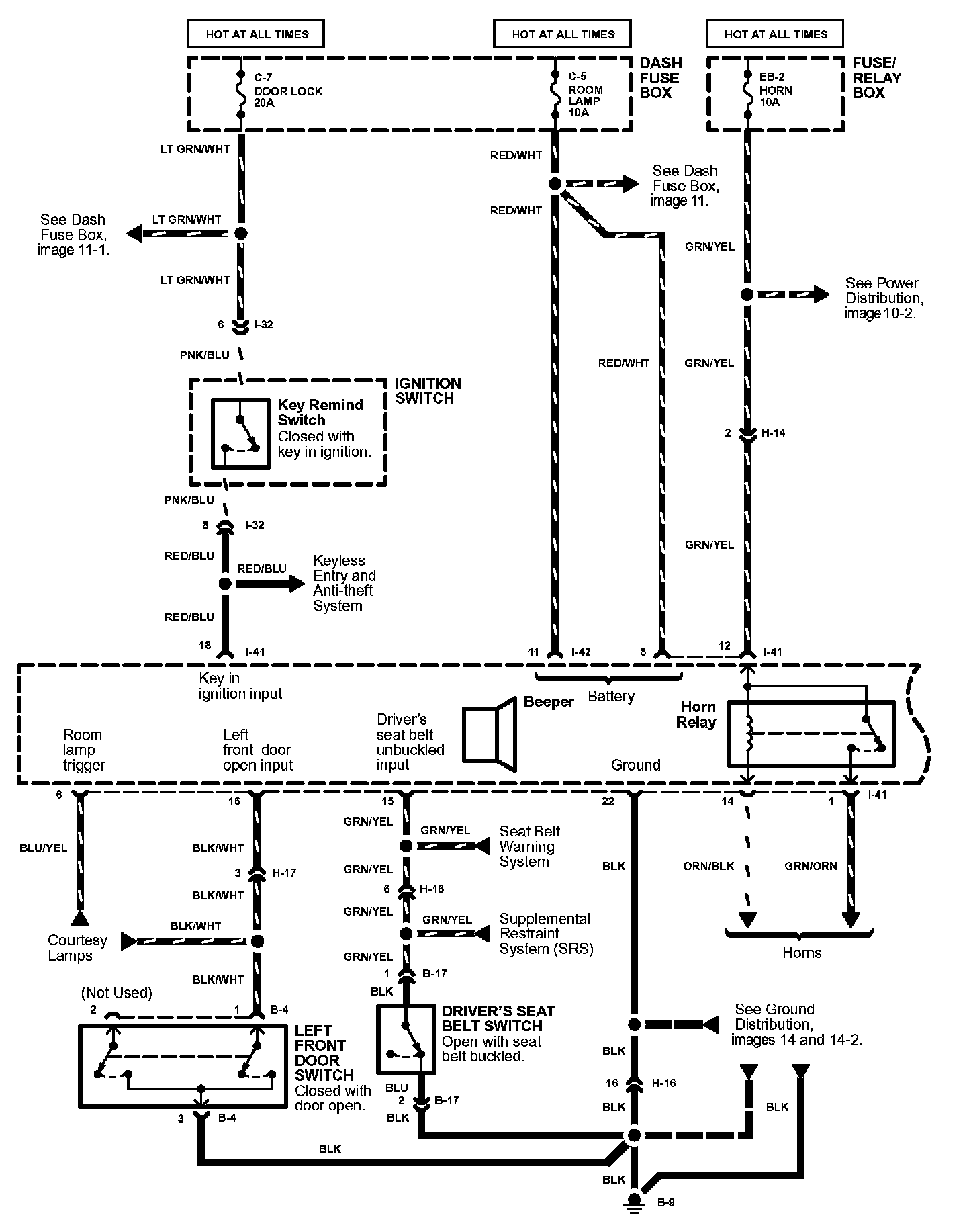
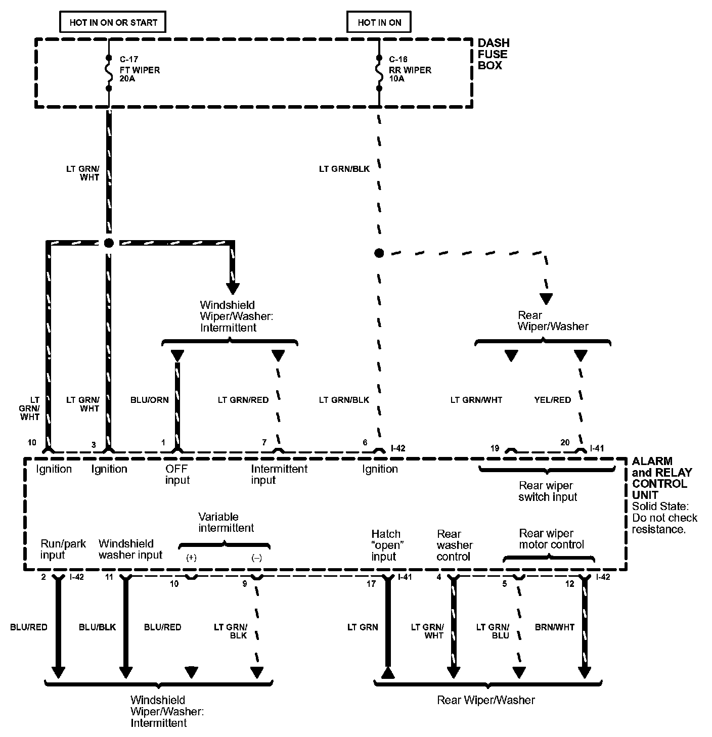
Alarm And Relay Control Unit:
Alarm And Relay Controls Image 70:
Alarm And Relay Controls Image 70-1:
Alarm And Relay Controls Image 70-2: