Curiosii for ever!
: Car repair manuals for everyone.
Home
>>
Isuzu Truck
>>
2002
>>
Axiom 2WD V6-3.5L
>>
Repair and Diagnosis
>>
Specifications
>>
Mechanical Specifications
>>
Automatic Transmission/Transaxle
>>
System Specifications
System Specifications
Automatic Transmission (4L30-E)
General Specifications
1 of 2
2 of 2
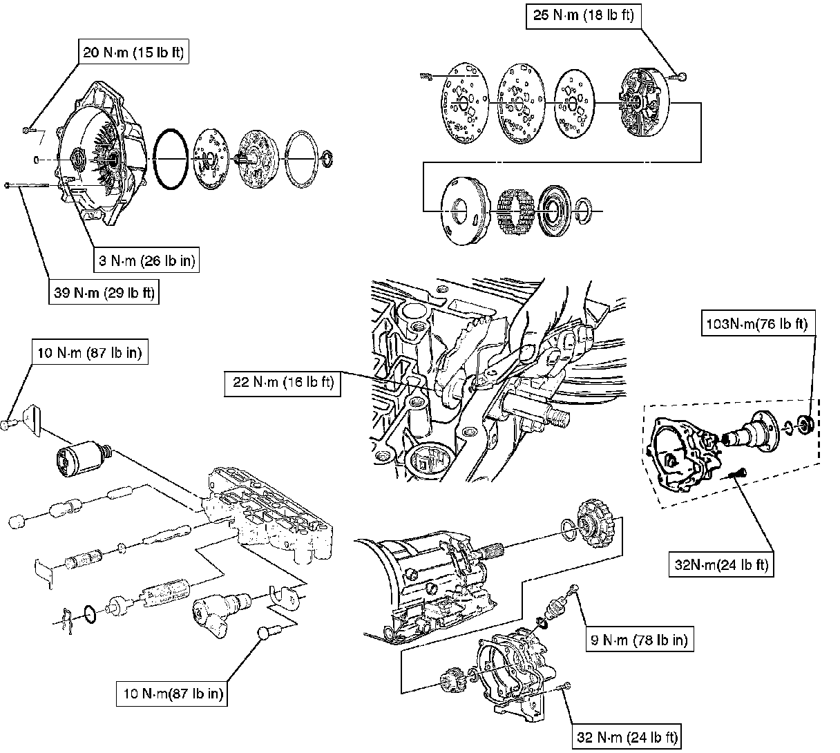
Torque Specifications
1 of 3
2 of 3
3 of 3
Transmission Fluid Temperature (TFT) Sensor
Specifications