Curiosii for ever!
: Car repair manuals for everyone.
Home
>>
Isuzu Truck
>>
2001
>>
VehiCROSS 4WD V6-3.5L
>>
Repair and Diagnosis
>>
Specifications
>>
Mechanical Specifications
>>
Heating and Air Conditioning
>>
System Specifications
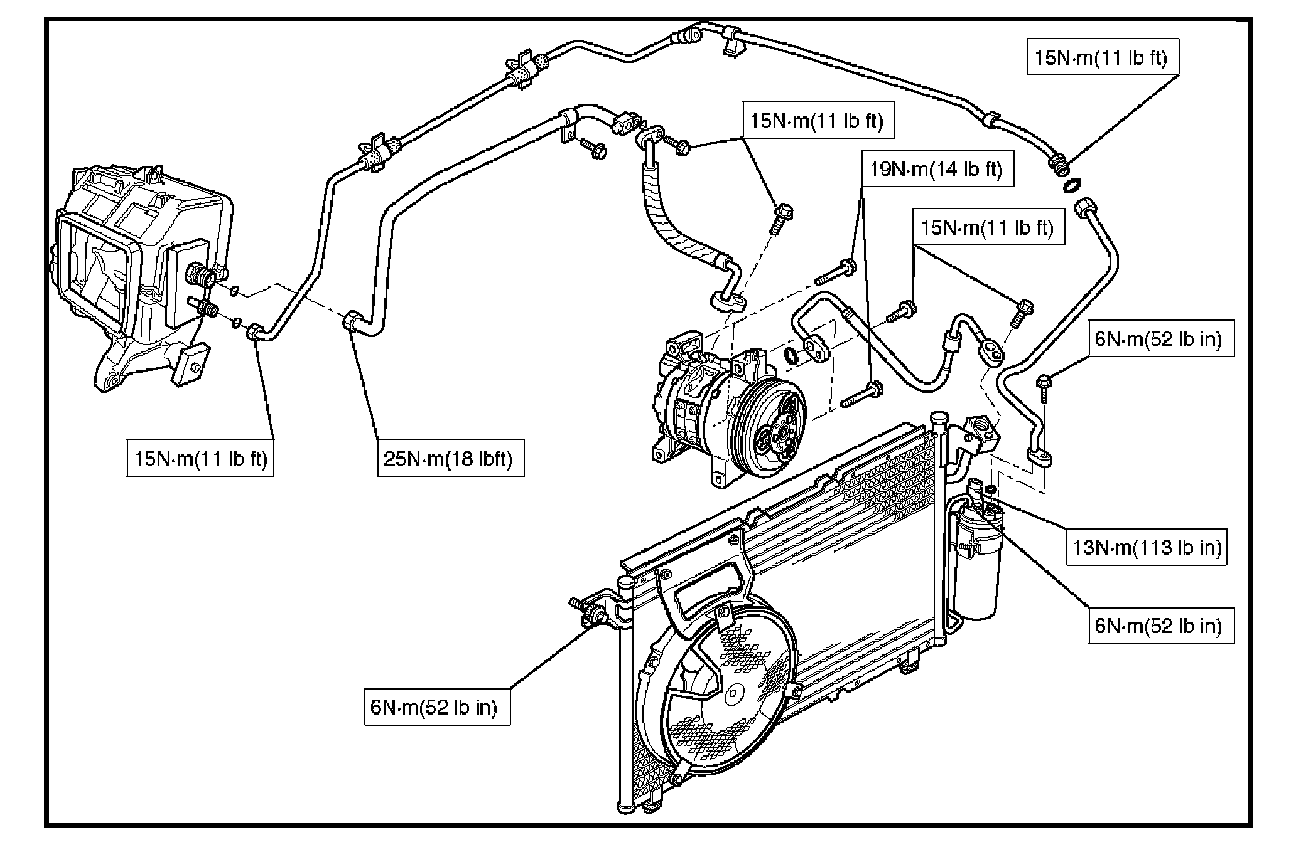
System Specifications
General Specifications:
Torque Specifications (Part 1):
Torque Specifications (Part 2):