Curiosii for ever!
: Car repair manuals for everyone.
Home
>>
Isuzu Truck
>>
2001
>>
VehiCROSS 4WD V6-3.5L
>>
Repair and Diagnosis
>>
Diagrams
>>
Exploded Views
>>
Cylinder Block Assembly
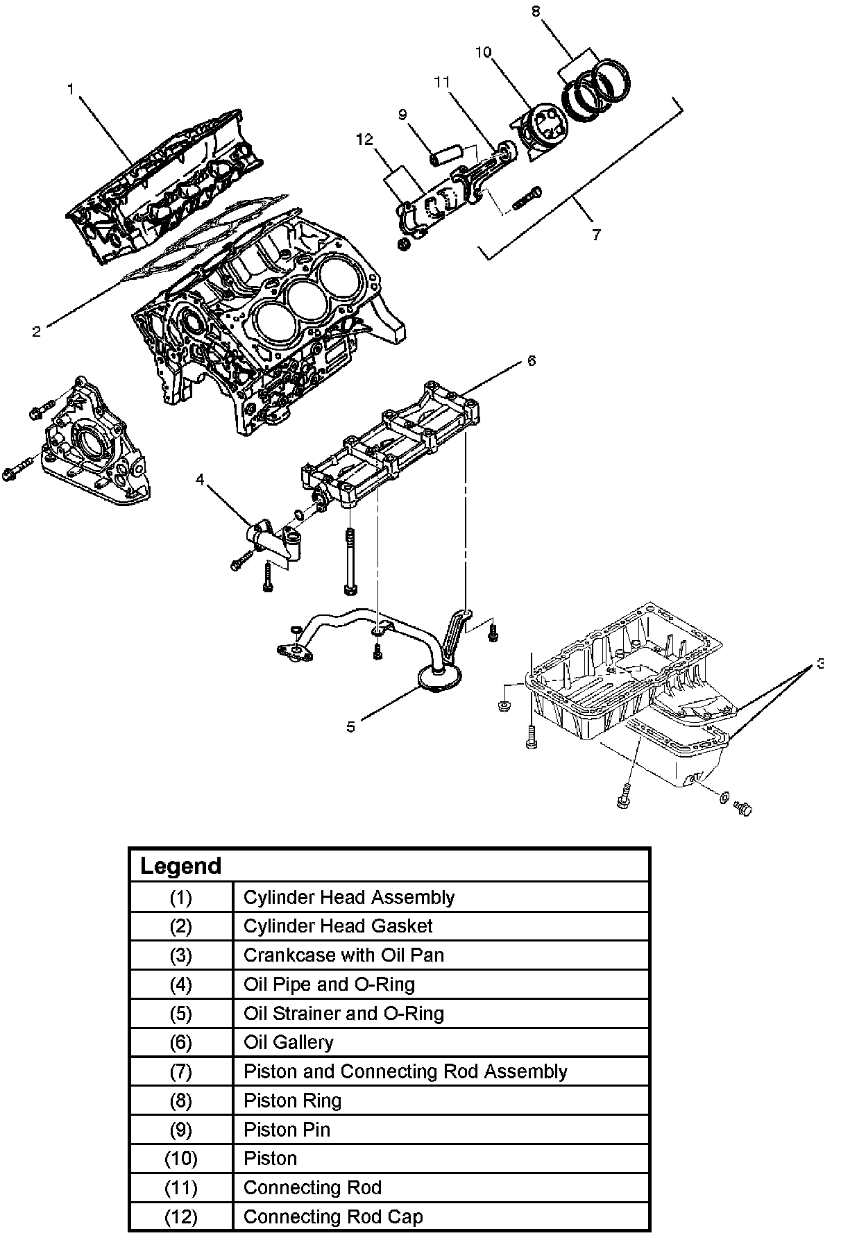
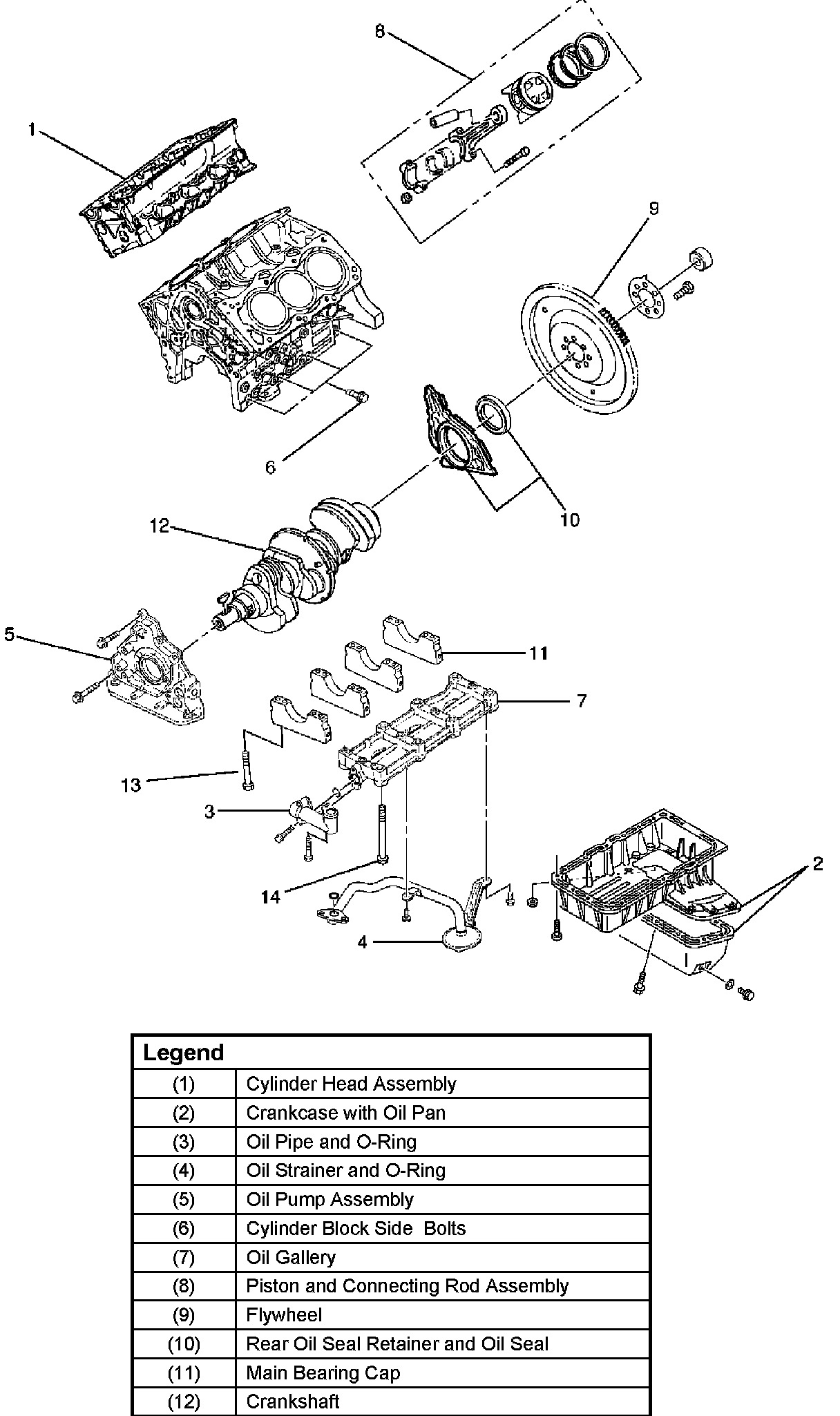
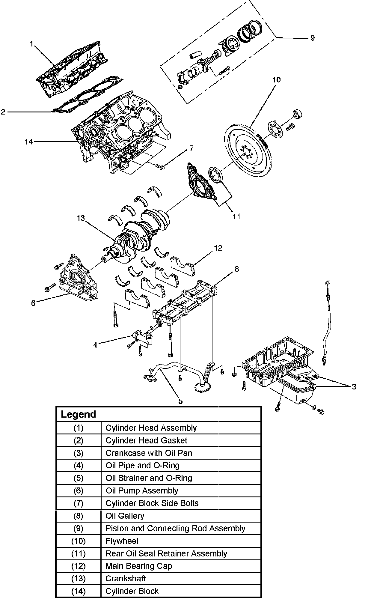
Cylinder Block Assembly
Piston, Piston Ring and Connecting Rod:
Cylinder Block and Associated Parts:
Crankshaft and Main Bearings:
Piston, Piston Ring and Connecting Rod:
_°Crankshaft and Main Bearings: