Curiosii for ever!
: Car repair manuals for everyone.
Home
>>
Isuzu Truck
>>
2001
>>
Trooper LS 2WD V6-3.5L
>>
Repair and Diagnosis
>>
Specifications
>>
Mechanical Specifications
>>
Heating and Air Conditioning
>>
System Specifications
>>
Torque Specifications
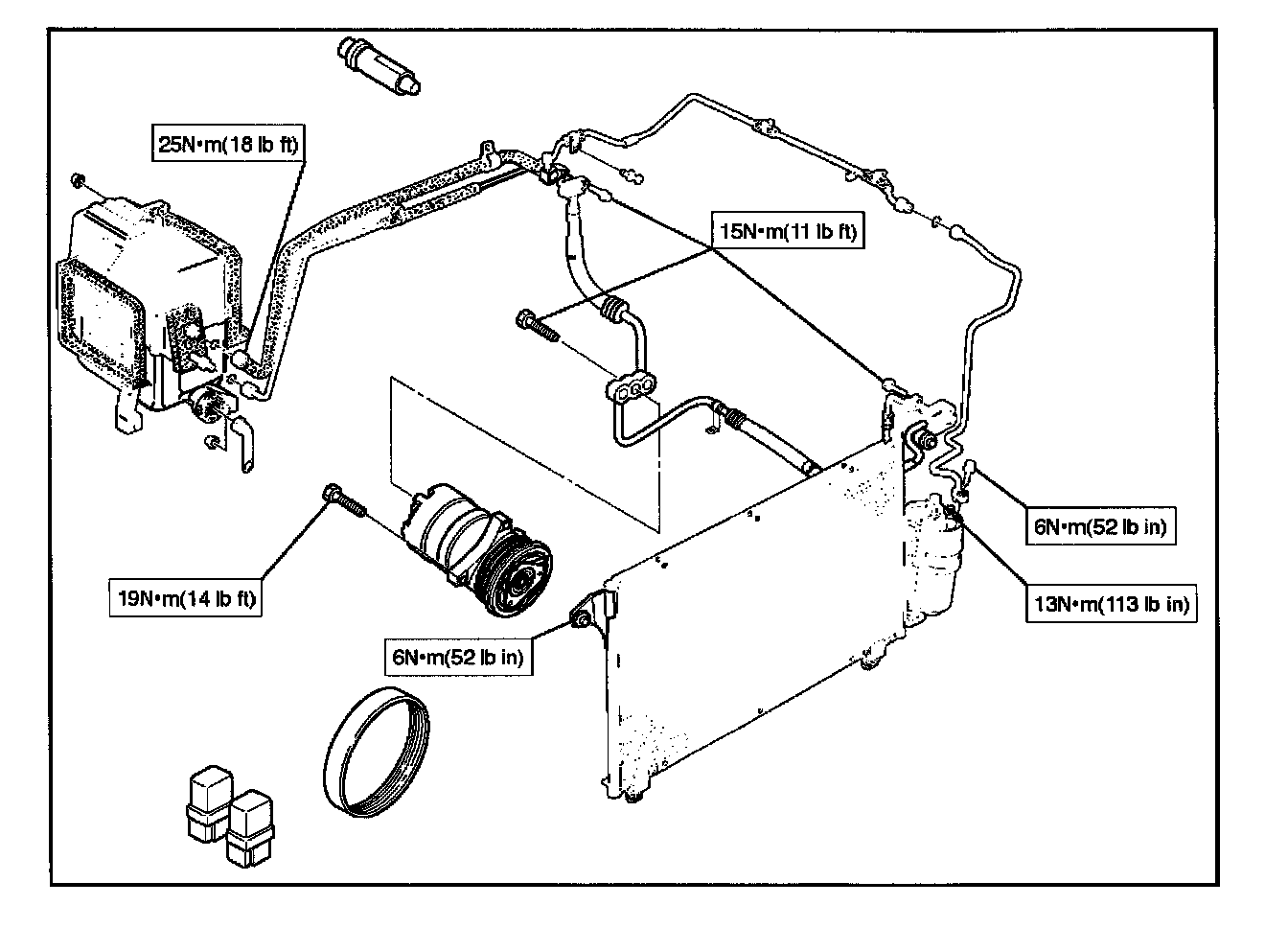
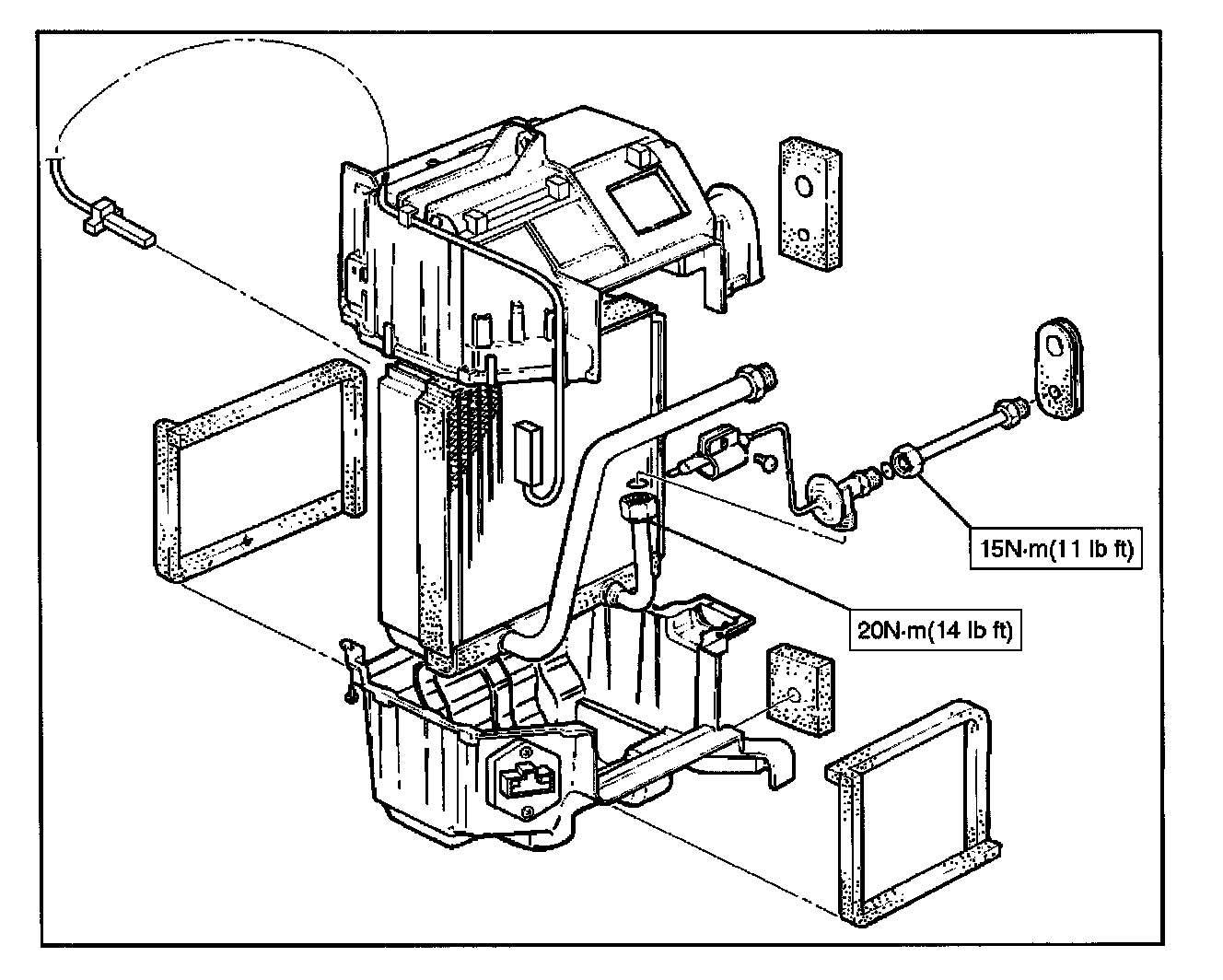
Torque Specifications
Part 1 Of 2:
Part 2 Of 2: