Curiosii for ever!: Car repair manuals for everyone.

Torque Specifications

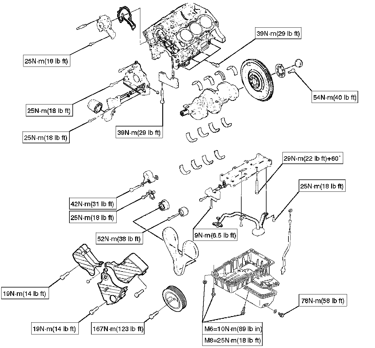
TORQUE SPECIFICATIONS





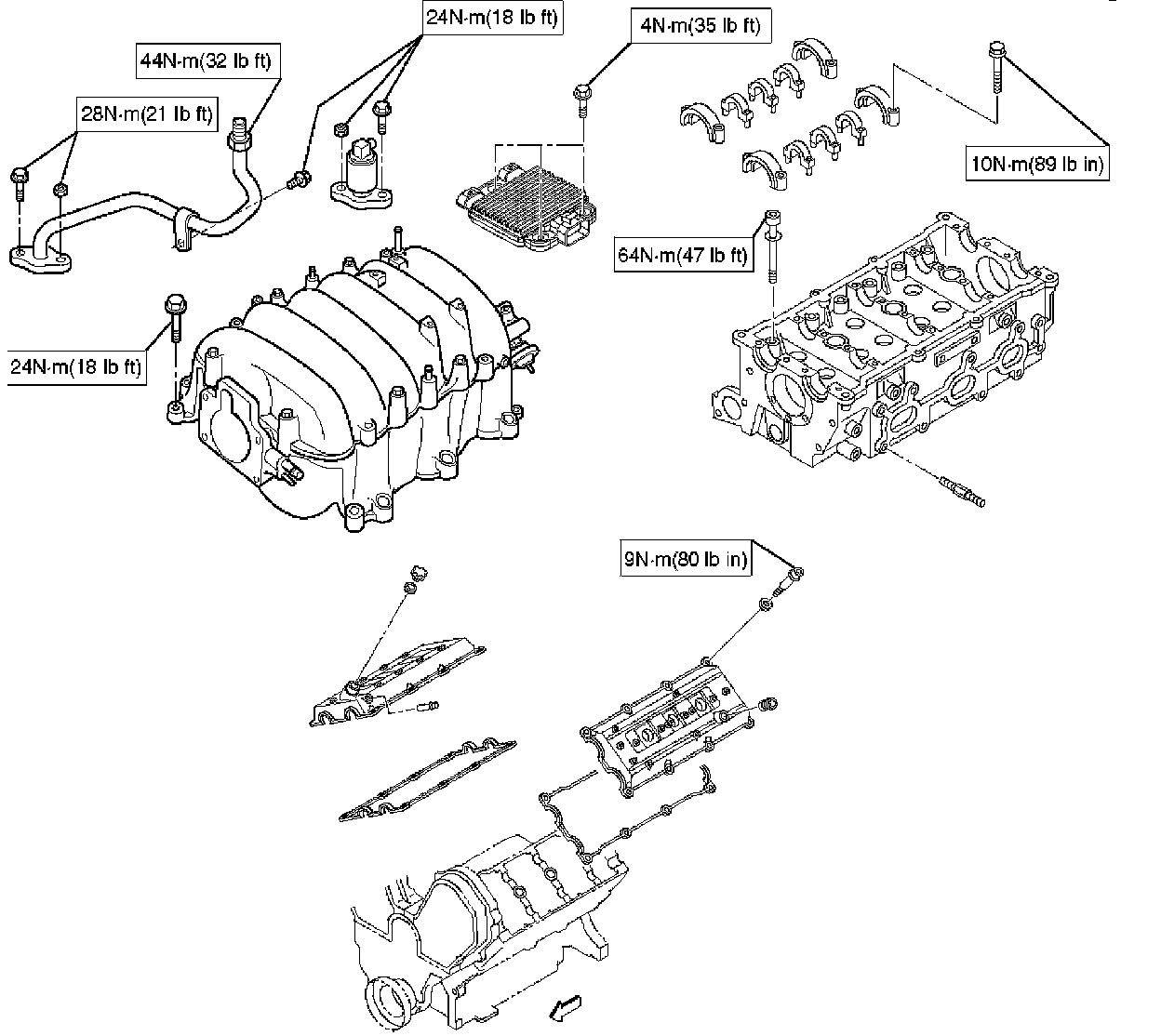
Cylinder Head Cover, Cylinder Head, Camshaft Bearing Cap, Common Chamber, EGR Valve and EGR Pipe, Ion Sensing Module,





Crankshaft Main Bearing, Flywheel, Crankcase, Oil Pan, Timing Belt Tensioner, Timing Pulley, Timing Belt Cover, Oil Pump, Oil Gallery, Oil Strainer and Water Pump





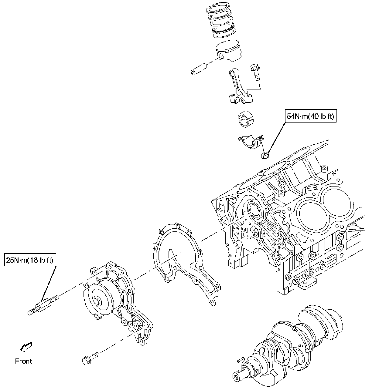
Connecting Rod and Water Pump





Engine Mount