Curiosii for ever!
: Car repair manuals for everyone.
Home
>>
Isuzu Truck
>>
2001
>>
Rodeo S 4WD V6-3.2L
>>
Repair and Diagnosis
>>
Diagrams
>>
Exploded Views
>>
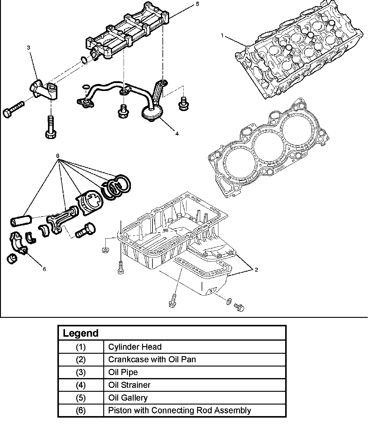
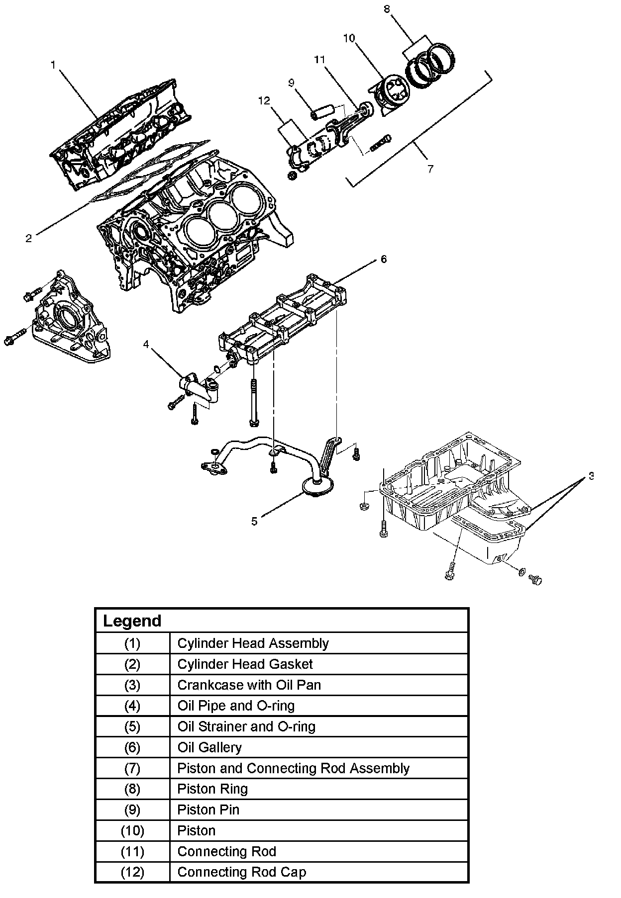
Cylinder Block Assembly
>>
Piston, Piston Ring and Connecting Rod
Piston, Piston Ring and Connecting Rod