Curiosii for ever!: Car repair manuals for everyone.

Manifold Pressure/Vacuum Sensor: Testing and Inspection

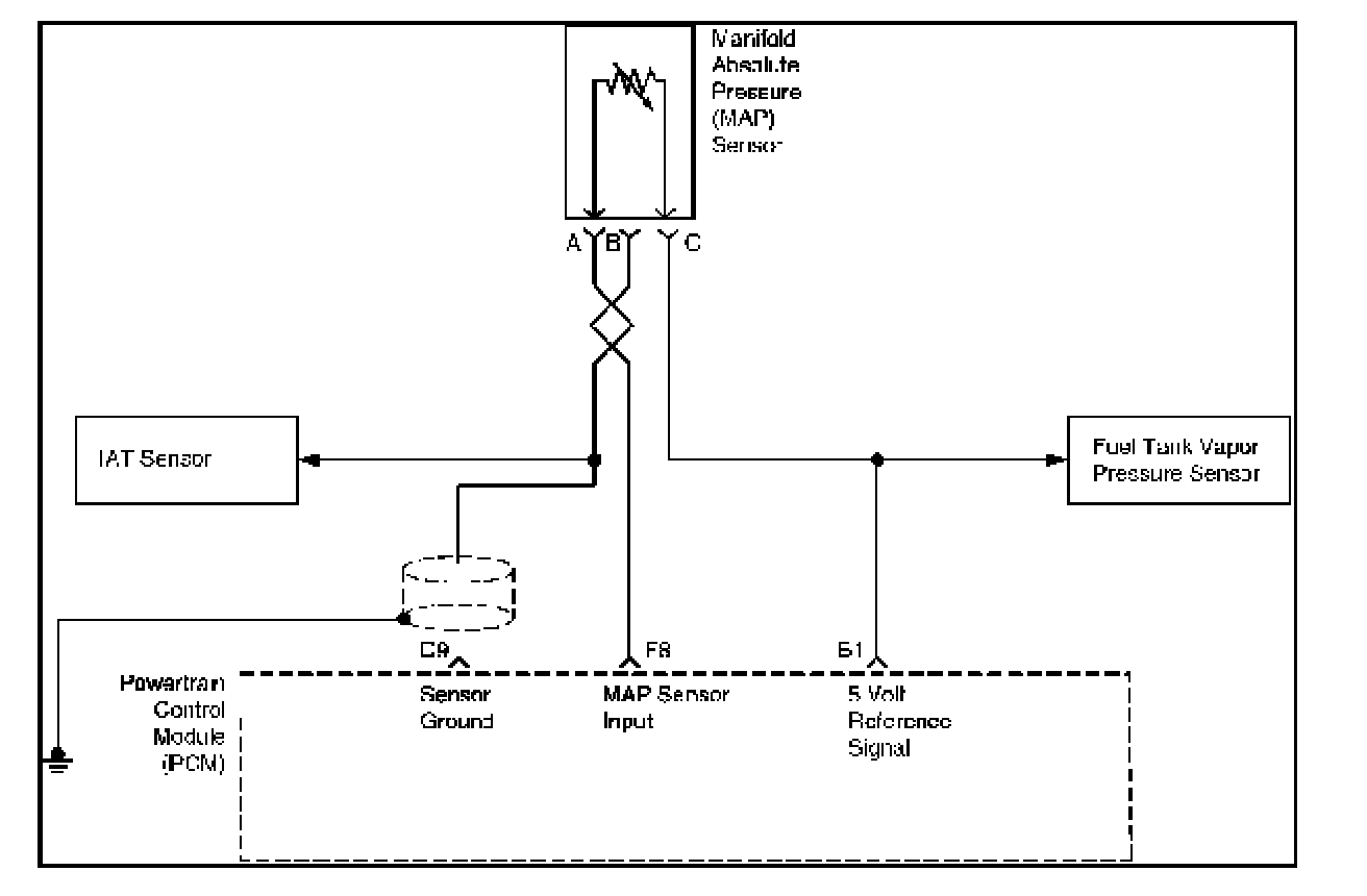
Manifold Absolute Pressure (MAP) Output Check

Manifold Absolute Pressure (MAP) Output Check:




Circuit Description
The manifold absolute pressure (MAP) sensor measures the changes in the intake MAP which result from engine load (intake manifold vacuum) and engine speed changes; and converts these into a voltage output. The powertrain control module (PCM) sends a 5-volt reference voltage to the MAP sensor. As the MAP changes, the output voltage of the sensor also changes. By monitoring the sensor output voltage, the PCM knows the MAP. A lower pressure (low voltage) output voltage will be about 1-2 volts at idle. Higher pressure (high voltage) output voltage will be about 4-4.8 volts at wide open throttle. The MAP sensor is also used, under certain conditions, to measure barometric pressure, allowing the PCM to make adjustments for different altitudes. The PCM uses the MAP sensor to diagnose proper operation of the EGR system, in addition to other functions.

Step 1 - 2:




Step 3 - 7:




Test Description

IMPORTANT: Be sure to use the same diagnostic test equipment for all measurements.

The number(s) below refer to the step number(s) on the Diagnostic Chart:
1. When you compare the Tech 2 readings to a known good vehicle, it is important to compare vehicles that use MAP sensors that have the same part number.
2. Applying 34 kPa (10 Hg) vacuum to the MAP sensor should cause the voltage to be 1.5 - 2.1 volts less than the voltage at step 1. Upon applying vacuum to the sensor, the change in voltage should be instantaneous. A slow voltage change indicates a faulty sensor.
3. Check the vacuum hose to the sensor for leaking or restriction. Be sure that no other vacuum devices are connected to the MAP hose.

IMPORTANT: Make sure the electrical connector remains securely fastened.

4. Disconnect the sensor from the bracket. Twist the sensor with your hand to check for an intermittent connection. Output changes greater than 0.10 volt indicate a bad sensor.