Curiosii for ever!
: Car repair manuals for everyone.
Home
>>
Isuzu Truck
>>
2001
>>
Rodeo S 2WD L4-2.2L
>>
Repair and Diagnosis
>>
Diagrams
>>
Electrical Diagrams
>>
Antilock Brakes / Traction Control Systems
>>
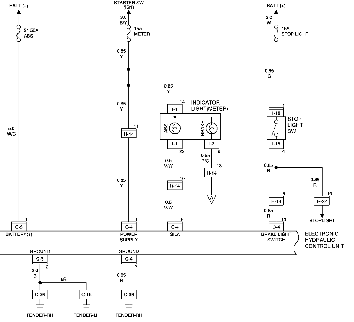
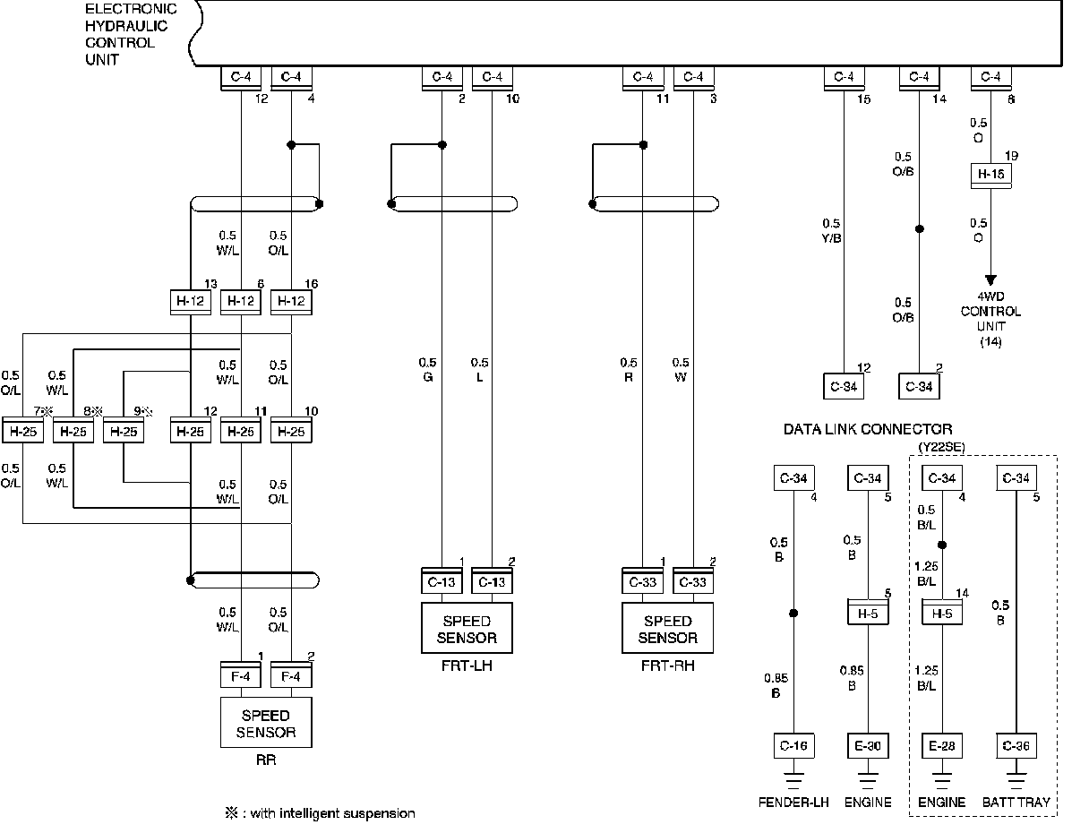
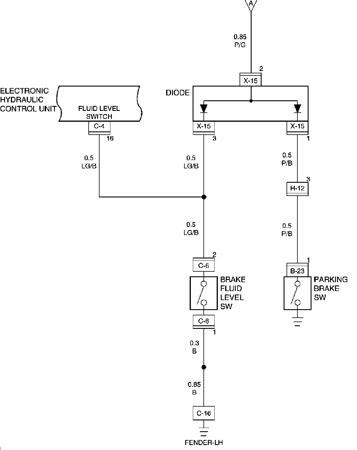
Electronic Brake Control Module
Electronic Brake Control Module
CIRCUIT DIAGRAM
Part 1 of 3
Part 2 of 3
Part 3 of 3