Curiosii for ever!: Car repair manuals for everyone.

Transmission Control Systems: Description and Operation

General Description
The 4L30-E is a 4-speed fully automatic transmission. It uses a microcomputer as a control unit to judge running conditions including throttle opening rate and vehicle speed, then it sets the shifting point in the optimum timing so that best driving performance can be achieved. In addition, the built-in shift mode select function can select three shift modes according to the driver's preference:
- Normal mode - Normal shift pattern.
- Winter mode - Starts in 3rd gear to reduce slippage on ice or snow.
- Power mode has a delayed upshift when more powerful acceleration is required.

Also, the built-in fail-safe function ("backup mode") assures driving performance even if the vehicle speed sensor, throttle signal or any solenoid fails.
Further, the self-diagnostic function conducts diagnosis in a short time when the control system fails, thus improving serviceability.
The major features of 4L30-E are as follows:
- A compact structure consisting of 2 sets of planetary gears and flat torque converter.
- Electronic control selects the optimum shift mode according to the driving conditions.
- Electronic control maintains the optimum hydraulic pressure for clutch, band brake as well as transmission so that shift feeling is improved.
- Two sets of planetary gears reduce friction of power train.
Also, a lockup mechanism in the torque converter reduces fuel consumption.
- Wide gear ratio and high torque rate of torque converter provide excellent starting performance.

Shift Control
The transmission gear is shifted according to the shift pattern selected by the driver. In shifting gears, the gear ratio is controlled by the ON/OFF signal using the shift solenoid A and the shift solenoid B.

Band Apply Control
The band apply is controlled when in the 3-2 downshift (engine overrun prevention) and the garage shift (shock control).
The band apply solenoid is controlled by the signal from the Pulse Width Modulation (PWM) to regulate the flow of the oil.

Torque Converter Clutch Control
The clutch ON/OFF is controlled by moving the converter clutch valve through shifting Torque Converter Clutch (TCC) solenoid using the ON/OFF signal.

Line Pressure Control
The throttle signal allows the current signal to be sent to the force motor. After receiving the current signal, the force motor activates the pressure regulator valve to regulate the line pressure.

On-Board Diagnostic System
Several malfunction displays can be stored in the Powertrain Control Module (PCM) memory, and read out of it afterward.
The serial data lines, which are required for the testing of the final assembly and the coupling to other electronic modules, can be regulated by this function.

Fail-Safe Mechanism
If there is a problem in the transmission system, the PCM will go into a "backup" mode.
The vehicle can still be driven, but the driver must use the select lever to shift gears.

Torque Management Control
The transmission control side sends the absolute spark advance signal to the engine control side while the transmission is being shifted. This controls the engine spark timing in compliance with the vehicle running condition to reduce the shocks caused by the change of speed.

ATF Warning Control
The oil temperature sensor detects the ATF oil temperature to control the oil temperature warning, TCC, and the winter mode.

Reverse Lock Out Control
With the selector lever in reverse position, the PCM will not close the PWM solenoid until the vehicle is below 15 km/h (9.3 mph), thus preventing reverse engagement above this speed.

Downhill Control
This mode is automatically activated from NORMAL mode only when downhill conditions are recognized. The shift pattern is identical to NORMAL mode except 3-4 and 4-3 shift lines at low throttle modified to get engine braking on a larger speed range.

Uphill Control
When uphill condition are recognized the 2-3 and 3-4 shift and TCC apply are down only when the engine torque is sufficient in order to avoid shift hunting.





Shift Mode Control





Gear Shift Control

Winter Drive Mode
1. The winter switch will operate when switched on after all of the following conditions are present:
a. The gear select position is "D" range only.
b. Vehicle speed is 7 mph (11 km/h) or less.
c. Transmission oil temperature is 130°C (266°F) or less.
d. Accelerator opening is at 8% or less
2. Cancel Release
1. Cancellation by driver
a. Turning off the winter drive mode switch
b. Shifting select position to "3", "2", or "L" (Winter drive mode is not canceled by selecting "N", "R", or "P").
c. Ignition key is turned off.
2. Automatic cancellation
a. When vehicle runs at 21 mph (34 km/h) or more for 1 second or more
b. When transmission oil temperature reaches 130°C (266°F) or above

Note: The mode returns to normal drive mode or power drive mode after the winter drive mode is canceled.

Backup Mode
If a major system failure occurs which could affect safety or damage the transmission under normal vehicle operation, the diagnostic system detects the fault and overrides the Powertrain Control Module (PCM).
The "CHECK TRANS" light comes on and the "CHECK TRANS" light flashes to alert the driver, and the transmission must be manually shifted as follows:








Shifts are firmer to prevent clutch slip and consequent wear. The fault should be corrected as soon as possible.





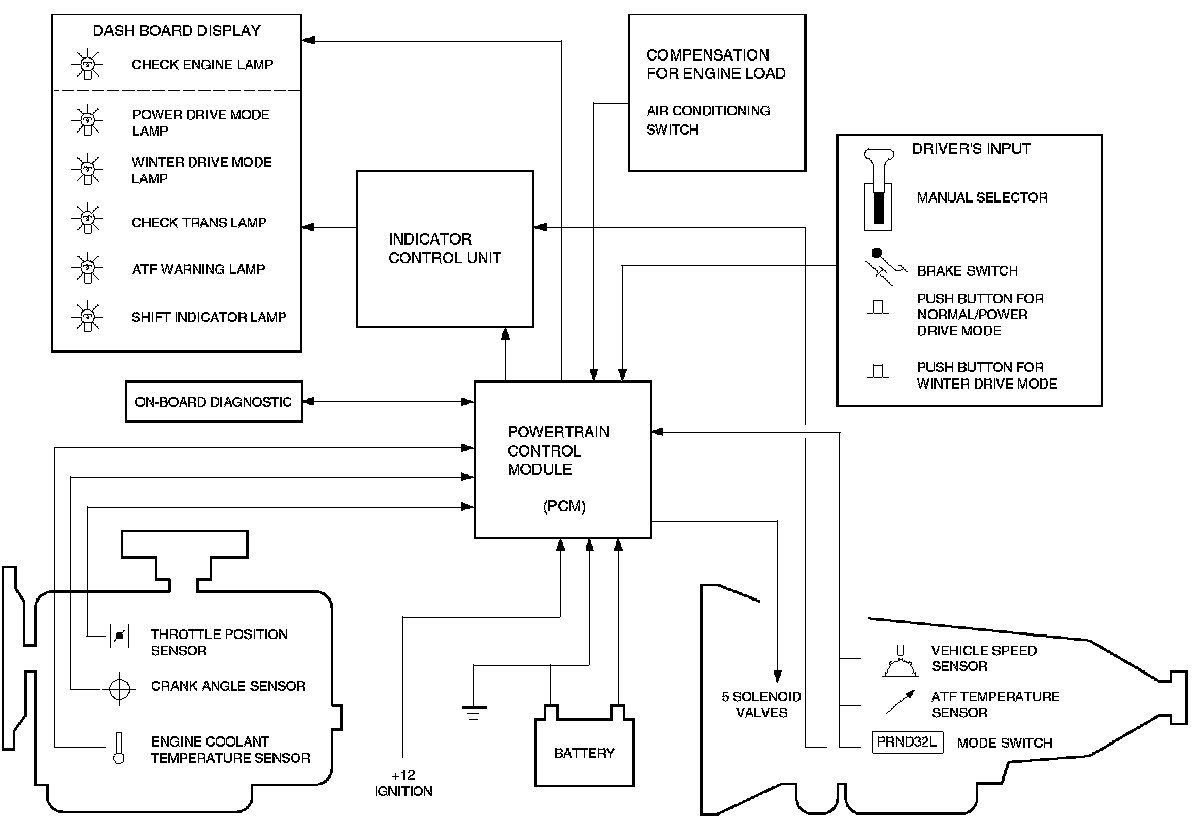
Functions of Input / Output Components





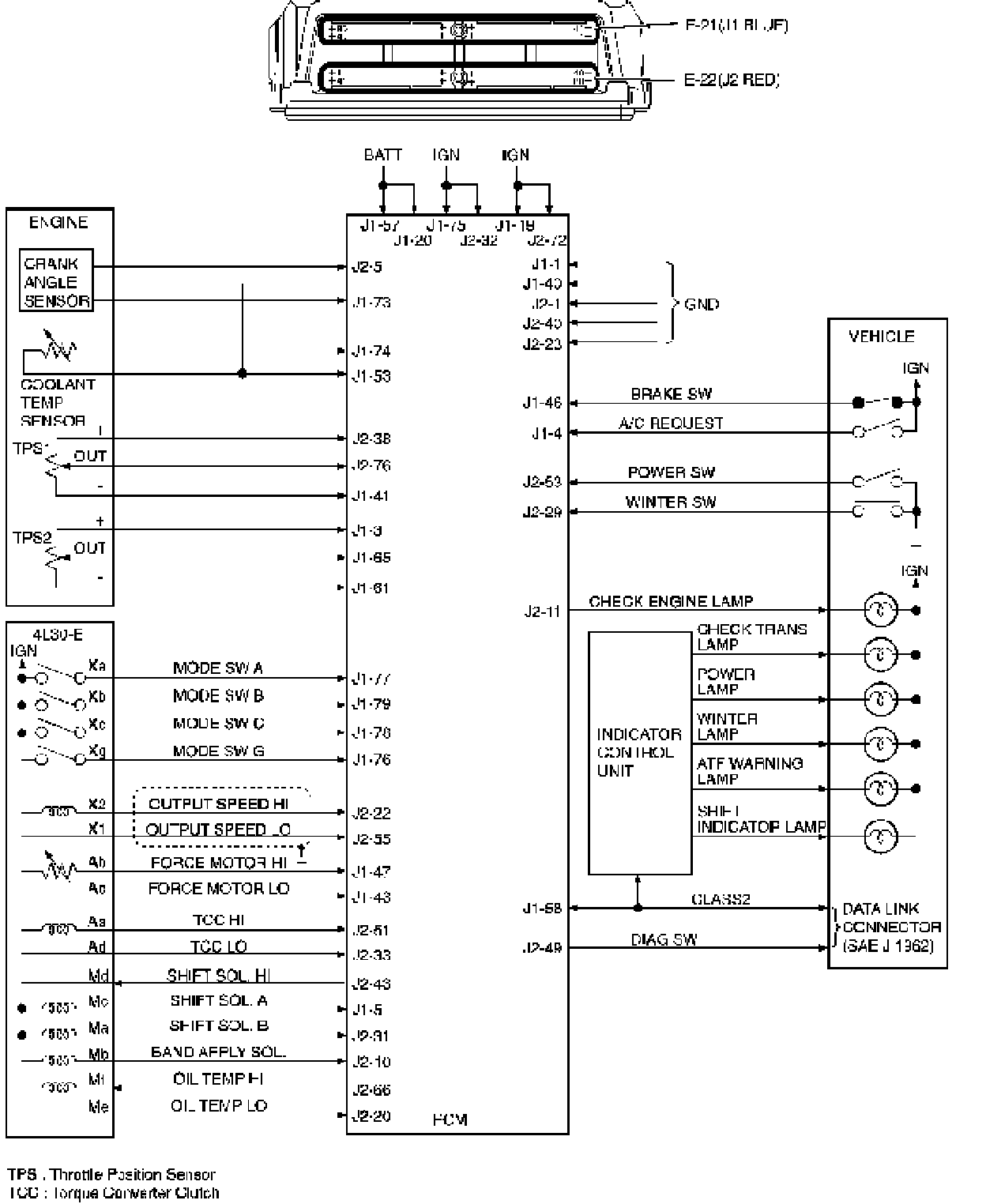
Electronic Control Diagram





Powertrain Control Module (PCM)





Control System Diagram