Curiosii for ever!
: Car repair manuals for everyone.
Home
>>
Isuzu Truck
>>
2001
>>
Rodeo LS 2WD V6-3.2L
>>
Repair and Diagnosis
>>
Powertrain Management
>>
Locations
>>
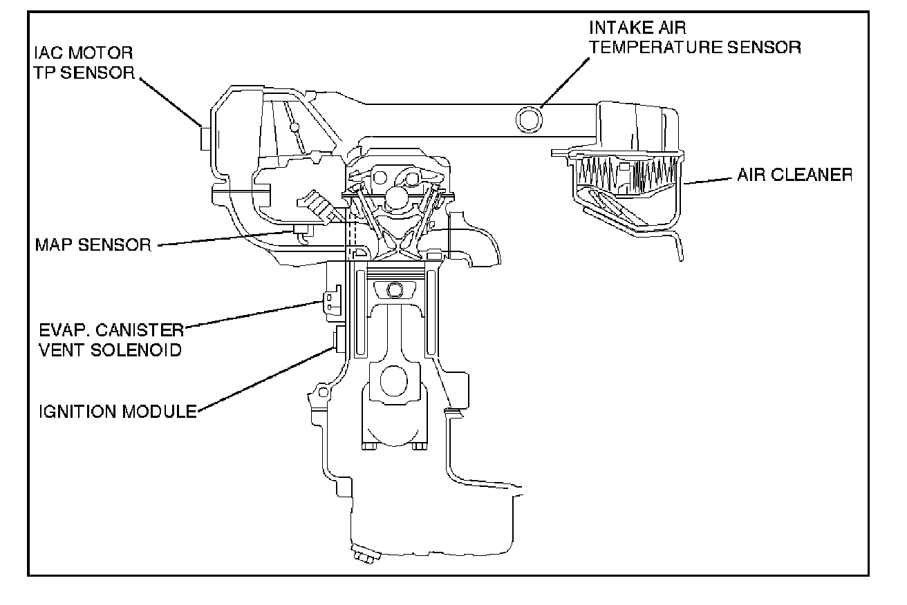
Undercarriage Components
Undercarriage Components
Undercarriage Component Locator Table: