Curiosii for ever!
: Car repair manuals for everyone.
Home
>>
Isuzu Truck
>>
2001
>>
Rodeo LS 2WD V6-3.2L
>>
Repair and Diagnosis
>>
Diagrams
>>
Electrical Diagrams
>>
Powertrain Management
>>
Engine Control Module
Engine Control Module
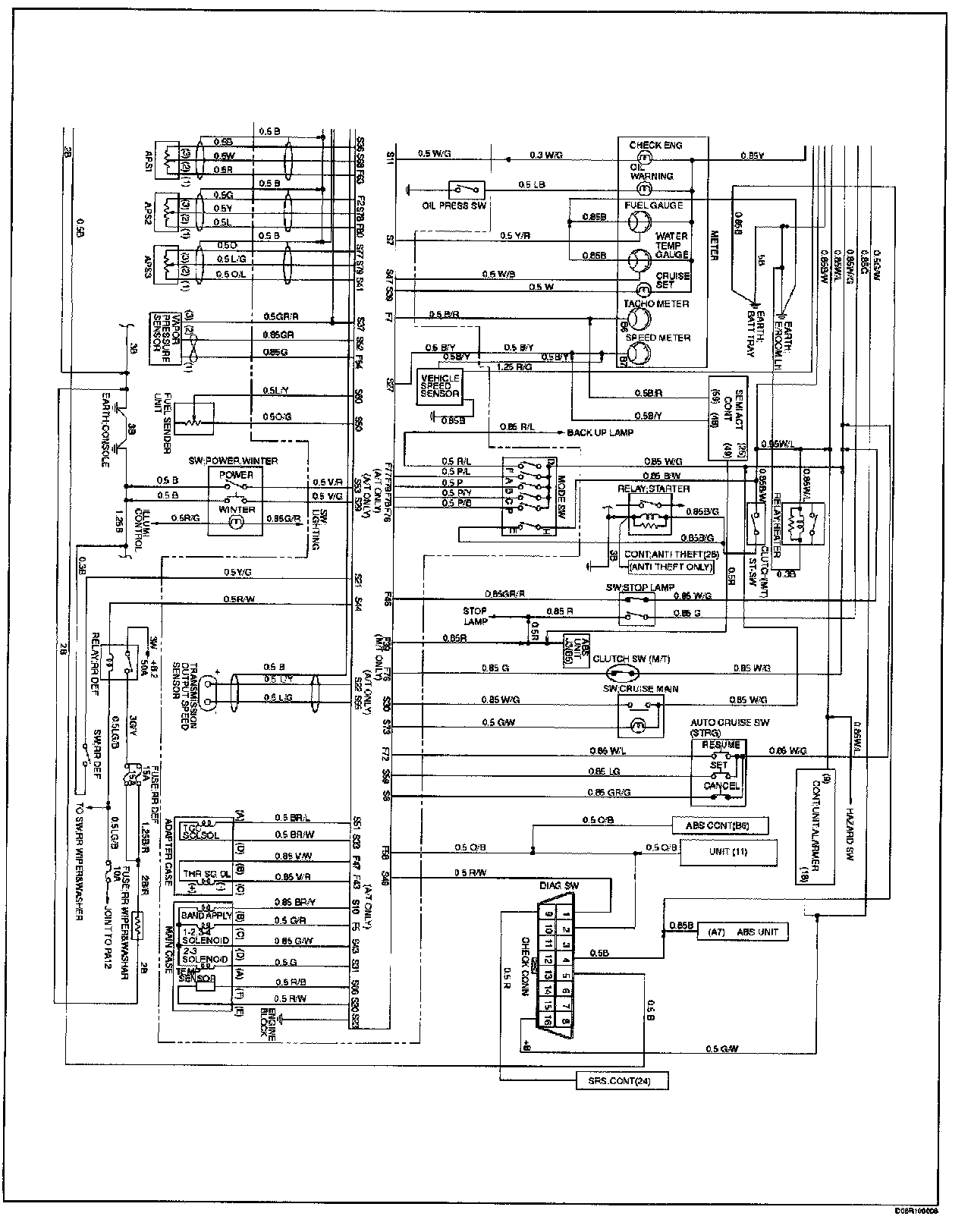
PCM (V6)-1:
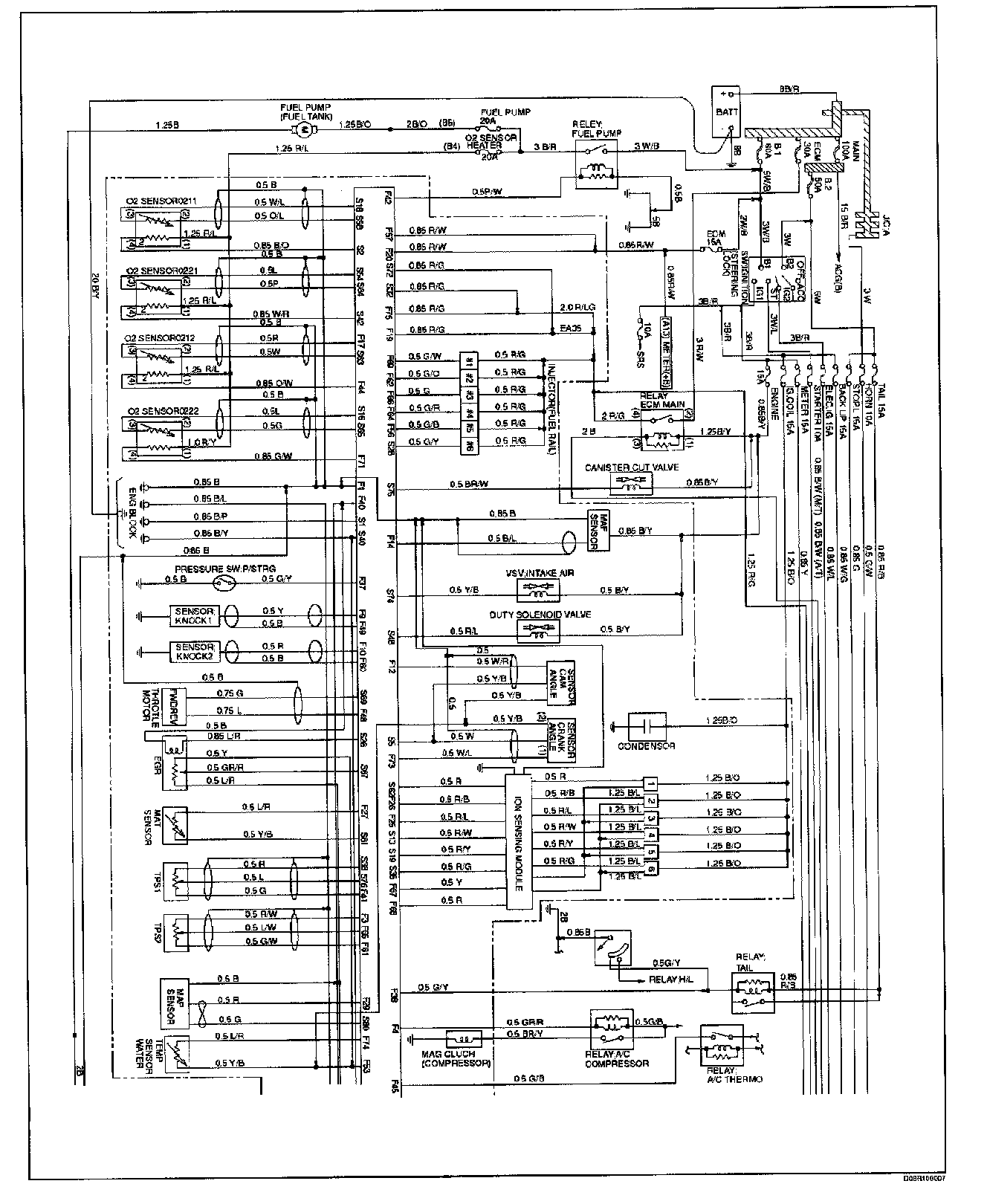
PCM (V6)-2: