Curiosii for ever!
: Car repair manuals for everyone.
Home
>>
Isuzu Truck
>>
2000
>>
VehiCROSS 4WD V6-3.5L
>>
Repair and Diagnosis
>>
Specifications
>>
Mechanical Specifications
>>
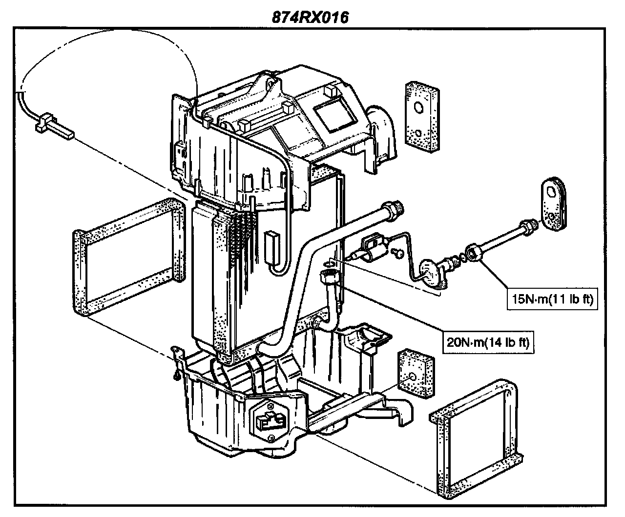
Heating and Air Conditioning
>>
System Specifications
System Specifications
Part 1 Of 2:
Part 2 Of 2:
Torque Specifications: