Curiosii for ever!
: Car repair manuals for everyone.
Home
>>
Isuzu Truck
>>
2000
>>
VehiCROSS 4WD V6-3.5L
>>
Repair and Diagnosis
>>
Specifications
>>
Mechanical Specifications
>>
Automatic Transmission/Transaxle
>>
System Specifications
>>
Automatic Transmission/Transaxle
>>
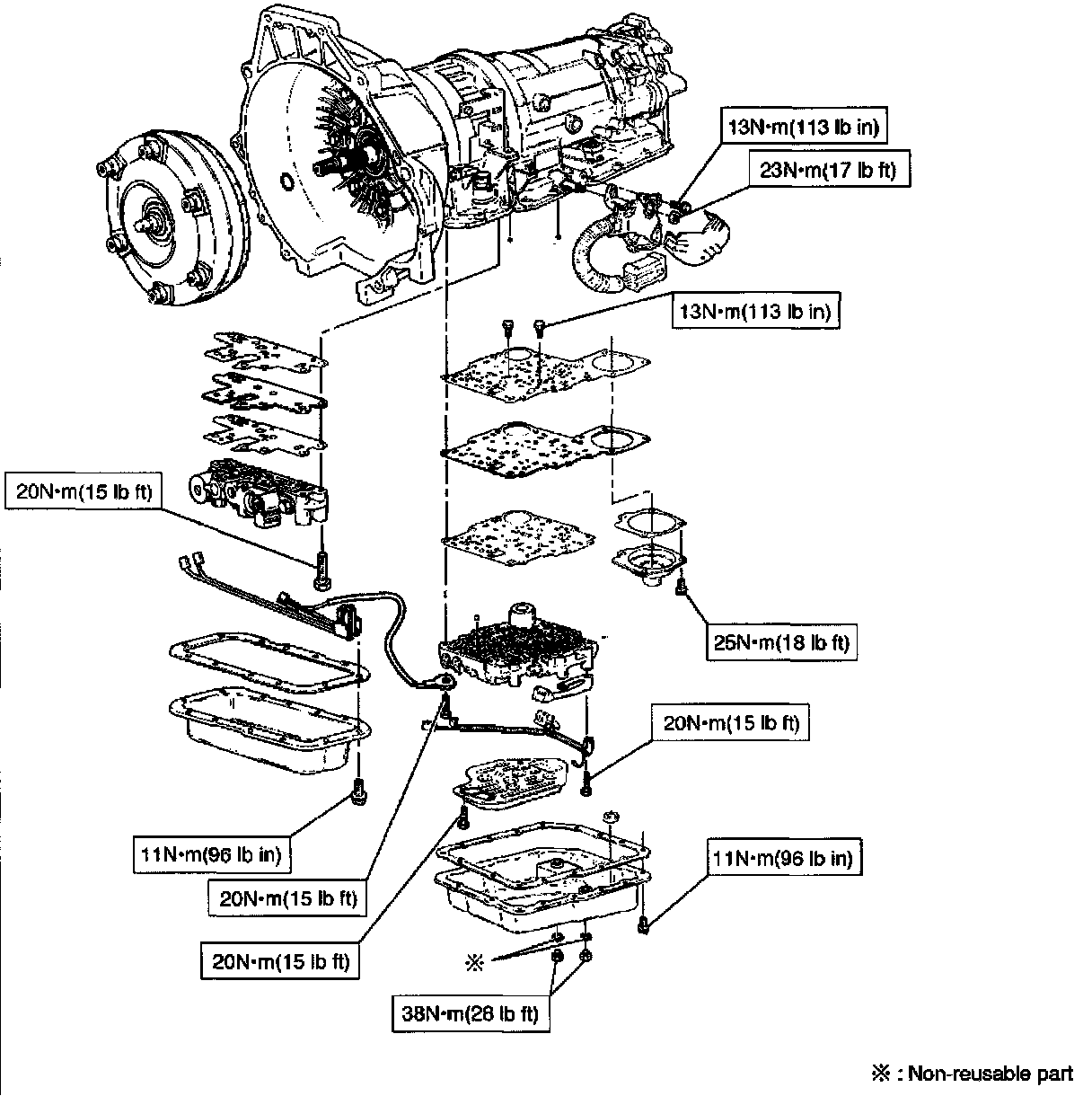
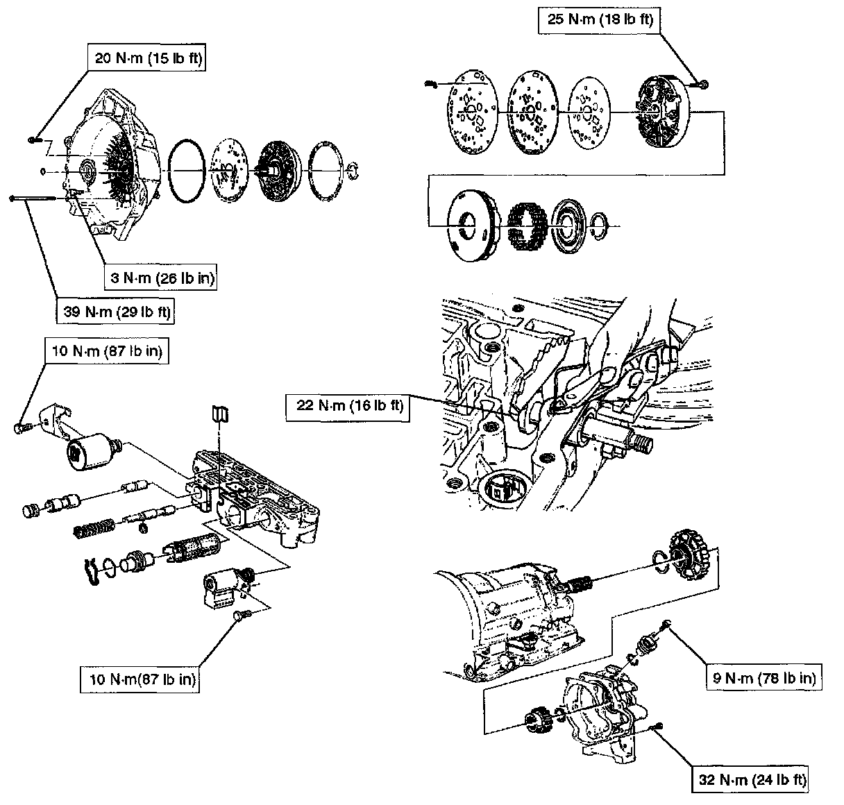
Tightening Specifications
Tightening Specifications
Torque Specifications