Curiosii for ever!
: Car repair manuals for everyone.
Home
>>
Isuzu Truck
>>
2000
>>
VehiCROSS 4WD V6-3.5L
>>
Repair and Diagnosis
>>
Powertrain Management
>>
Transmission Control Systems
>>
Description and Operation
>>
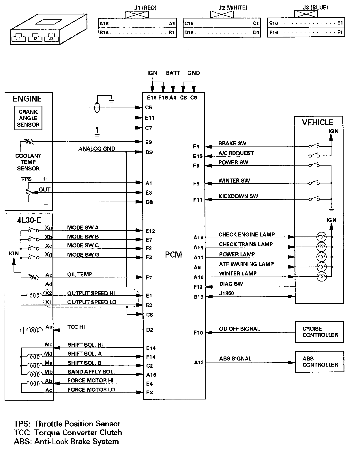
Powertrain Control Module (PCM)
Powertrain Control Module (PCM)