Curiosii for ever!
: Car repair manuals for everyone.
Home
>>
Isuzu Truck
>>
2000
>>
VehiCROSS 4WD V6-3.5L
>>
Repair and Diagnosis
>>
Diagrams
>>
Exploded Views
>>
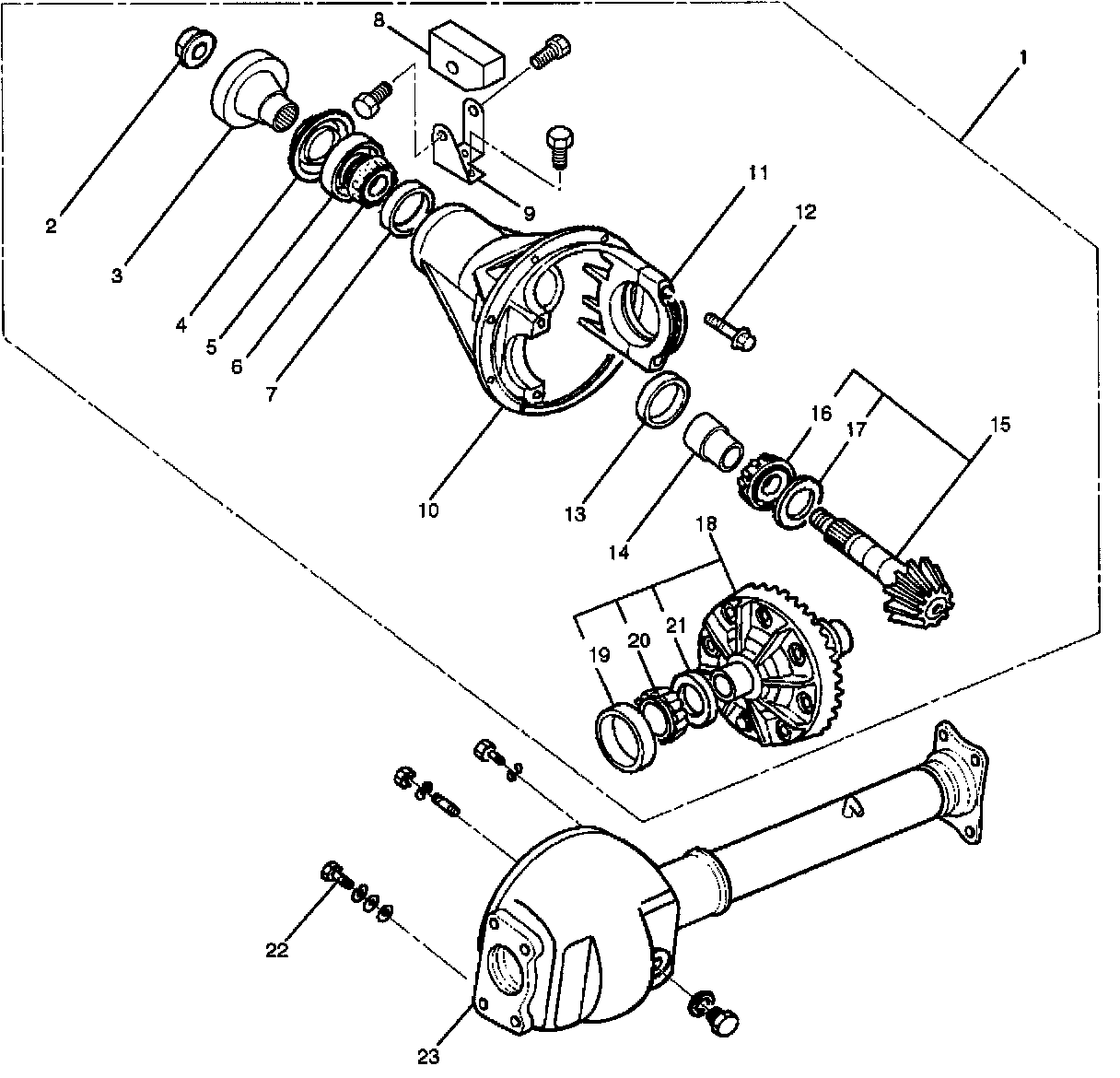
Differential Assembly
>>
System Diagram
>>
Front Differential
Front Differential