Curiosii for ever!: Car repair manuals for everyone.

Heater Core: Service and Repair

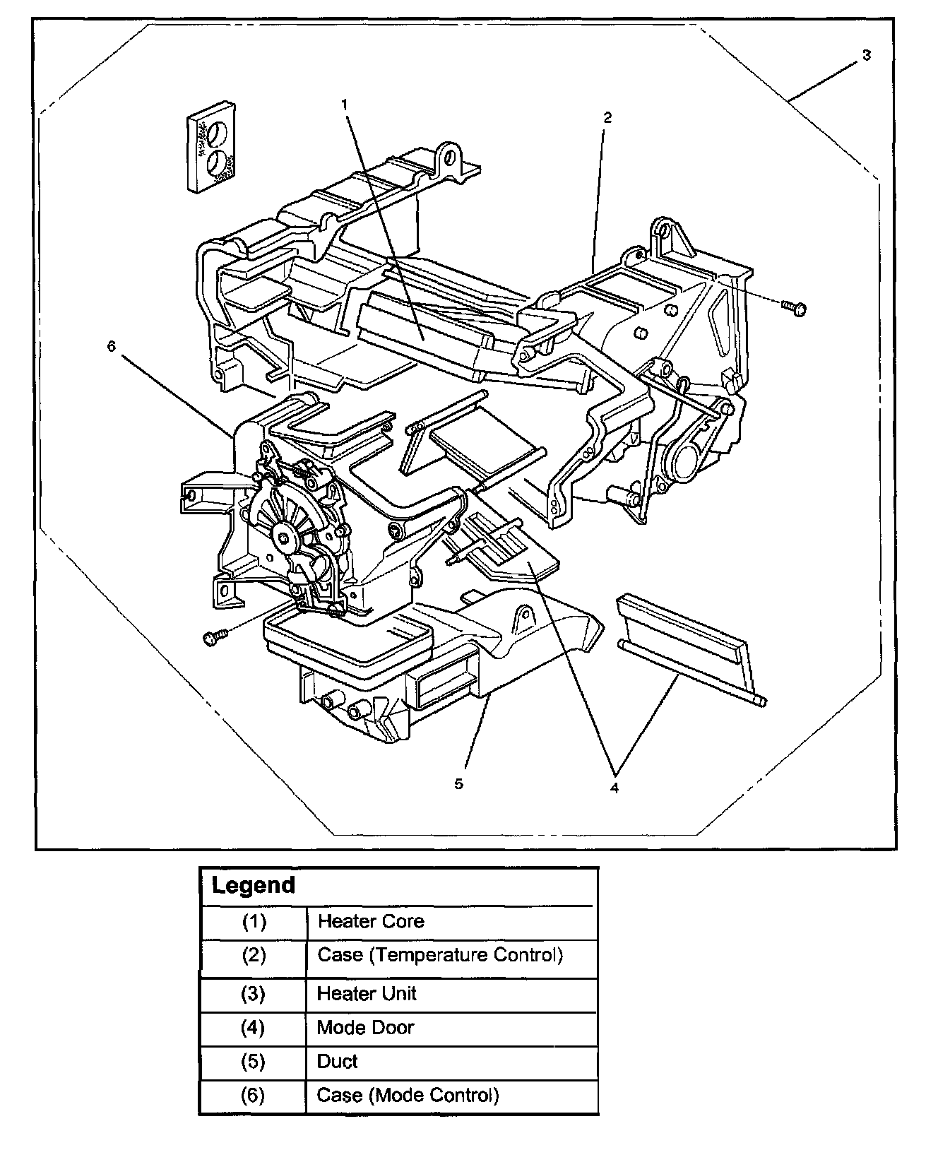
Disassembled View:






HEATER CORE
Removal
1. Disconnect the battery ground cable.
2. Drain the engine coolant.
3. Discharge and recover refrigerant (with air conditioning).
4. Remove heater unit.
5. Remove duct.
6. Remove case (Mode control) and do not remove link unit at this step.





7. Remove case (Temperature control) separate two halves of core case.





8. Remove heater core (1).





9. Pull out the mode door while raising up the catch of the door lever.

Installation
To install, follow the removal steps in the reverse order, noting the following point:
1. Check that each mode door operates properly.