Curiosii for ever!: Car repair manuals for everyone.

Evaporator Temperature Sensor / Switch: Service and Repair

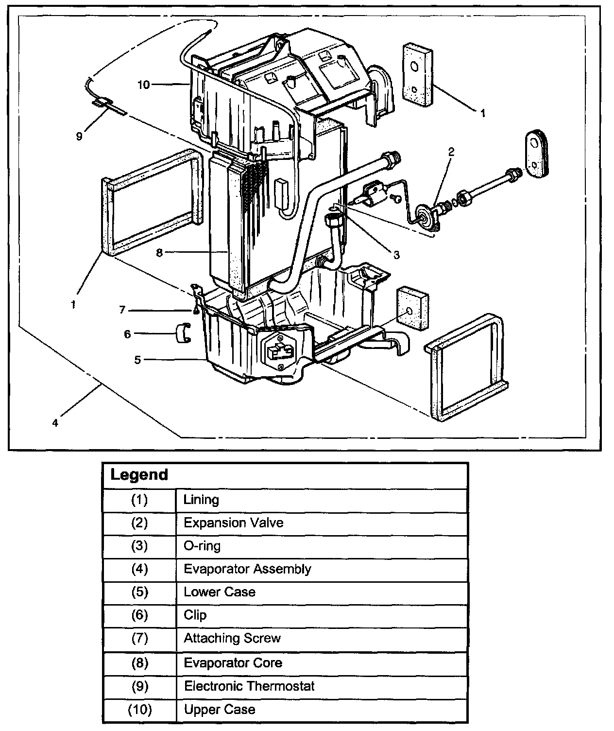
Electronic Thermostat, Evaporator Core and/or Expansion Valve

Disassembled View:





Removal
1. Disconnect the battery ground cable.
2. Discharge and recover refrigerant.
3. Remove evaporator assembly.
4. Remove the electronic thermostat sensor fixing clip. Pull the sensor from the evaporator assembly.
5. Remove clip.
6. Remove attaching screw.
7. Remove upper case.
8. Remove lower case.





9. Slit the case parting face with a knife since the lining is separated when removing the evaporator.
- Lift to remove the upper case.





10. Remove evaporator core.





11. Remove expansion valve.
- Tear off the insulator carefully.
- Remove the sensor fixing clip.
- Use a back-up wrench when disconnecting all refrigerant pipes.

Installation
To install, follow the removal steps in the reverse order, noting the following points:
1. The sensor is installed on the core with the clip.
2. The sensor must not interfere with the evaporator core.





3. When installing the new evaporator core, install the duct sensor (2) to the evaporator core (1) specified position with the clip in the illustration.
4. O-rings cannot be reused. Always replace with new ones.
5. Be sure to apply new compressor oil to the O-rings when connecting lines.
6. Be sure to install the sensor and the insulator on the place where they were before.
7. To install a new evaporator core, add 50 cc (1.7 fl.oz.) of new compressor oil to the new core.
8. Tighten the refrigerant lines to the specified torque.
9. Apply an adhesive to the parting face of the lining when assembling the evaporator assembly.