Curiosii for ever!: Car repair manuals for everyone.

Engine Control Components Views

A/C Compressor:



A/C Refrigerant Pressure Sensor:



CKP Sensor, CMP Sensor And Knock Sensor:



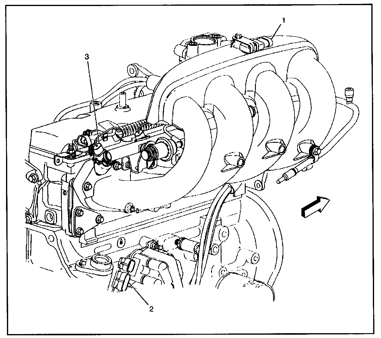
ICM And Fuel Injectors:



LH Upper Engine:



EVAP Solenoid Valve:



HO2S 2:



EVAP Canister And EVAP Vent Valve (4DR Utility And Pickup):



Modular Fuel Sender:



IAT Sensor:



O2S 1:



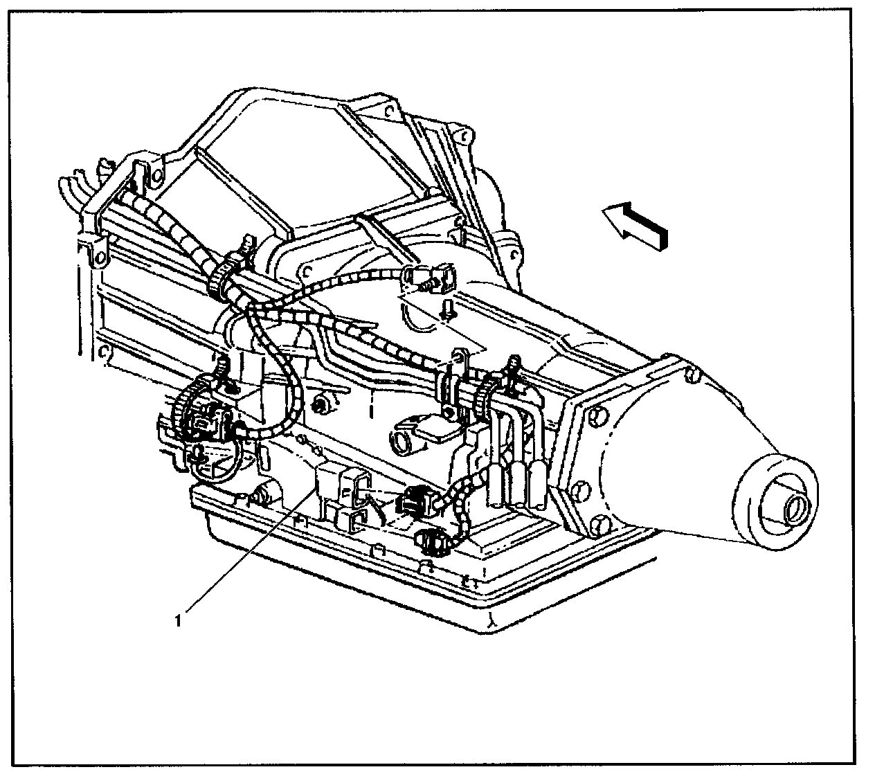
PCM Connectors:



Park/Neutral Position (PNP) Switch: