Curiosii for ever!
: Car repair manuals for everyone.
Home
>>
Isuzu Truck
>>
1999
>>
Trooper V6-3.5L
>>
Repair and Diagnosis
>>
Specifications
>>
Mechanical Specifications
>>
Manual Transmission/Transaxle
>>
Torque Specifications
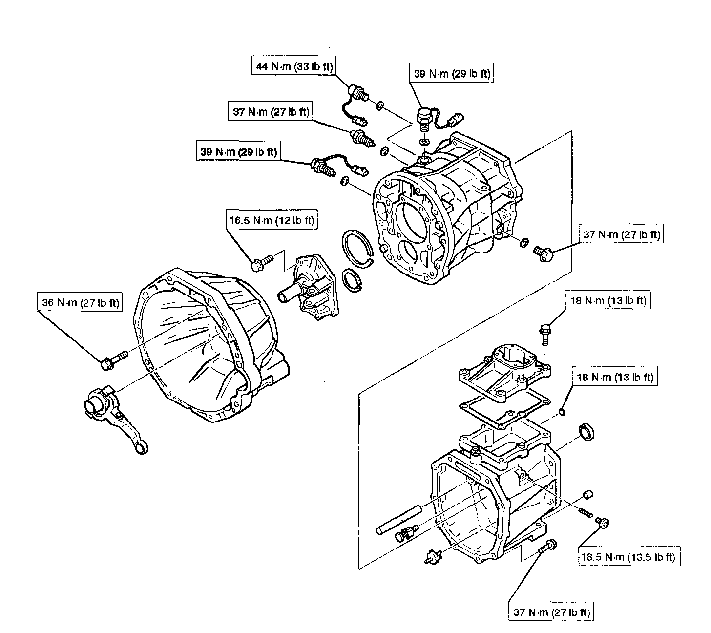
Torque Specifications