Curiosii for ever!: Car repair manuals for everyone.

Fuel System Electrical Test

Fuel System Electrical Test




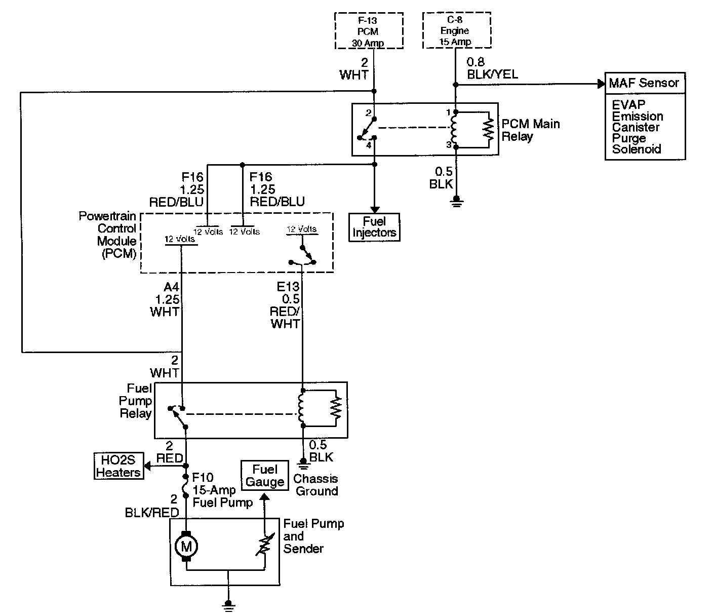
Circuit Description
When the ignition switch is first turned ON, the powertrain control module (PCM) energizes the fuel pump relay which applies power to the in-tank fuel pump. The fuel pump relay will remain ON as long as the engine is running or cranking and the PCM is receiving 58X crankshaft position pulses. If no 58X crankshaft position pulses are present, the PCM de-energizes the fuel pump relay within 2 seconds after the ignition is turned ON or the engine is stopped.

The fuel pump delivers fuel to the fuel rail and injectors, then to the fuel pressure regulator. The fuel pressure regulator controls fuel pressure by allowing excess fuel to be returned to the fuel tank. With the engine stopped and ignition ON, the fuel pump can be turned ON by using a command by the scan tool.

Diagnostic Aids
An intermittent may be caused by a poor connection, rubbed-through wire insulation, or a wire broken inside the insulation. Check for the following items:
- Poor connection or damaged harness - Inspect the PCM harness and connectors for improper mating, broken locks, improperly formed or damaged terminals, poor terminal-to-wire connection, and damaged harness.

Steps 1 - 5:




Steps 6 - 13:




Steps 14 - 18:




Test Description
Number(s) below refer to the step number(s) on the Diagnostic Chart.
2. If the fuel pump is operating but incorrect pressure is noted, the fuel pump wiring is OK and the Fuel System Pressure Test chart should be used for diagnosis.

CAUTION: To reduce the risk of fire and personal injury:
- It is necessary to relieve fuel system pressure before connecting a fuel pressure gauge. Refer to Fuel Pressure Relief Procedure, below.
- A small amount of fuel may be released when disconnecting the fuel lines. Cover fuel line fittings with a shop towel before disconnecting, to catch any fuel that may leak out. Place the towel in an approved container when the disconnect is completed.

Fuel Pressure Relief Procedure
1. Remove the fuel cap.
2. Remove the fuel pump relay from the underhood relay center.
3. Start the engine and allow it to stall.
4. Crank the engine for an additional 3 seconds.

Fuel Gauge Installation
1. Remove the shoulder fitting cap.
2. Install fuel gauge J 34730-1 to the fuel feed line located in front of and above the right side valve train cover.
3. Reinstall the fuel pump relay.